PRODUCTS
- Home
- Giới thiệu sản phẩm
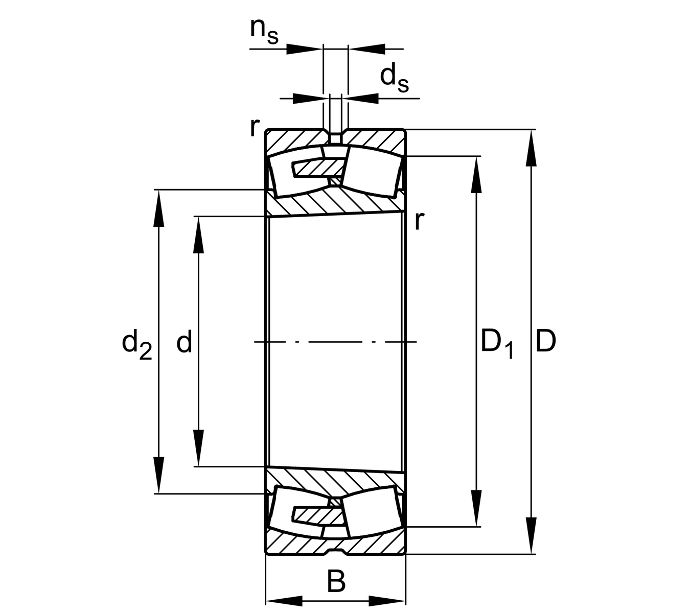
| d | 260 mm | Bore diameter |
| D | 540 mm | Outside diameter |
| B | 165 mm | Width |
| Cr | 3,650,000 N | Basic dynamic load rating, radial |
| C0r | 4,650,000 N | Basic static load rating, radial |
| Cur | 360,000 N | Fatigue load limit, radial |
| nG | 1,390 1/min | Limiting speed |
| nϑr | 740 1/min | Reference speed |
| ≈m | 177.02 kg | Weight |
| da min | 286 mm | Minimum diameter shaft shoulder |
| Da max | 514 mm | Maximum diameter of housing shoulder |
| ra max | 5 mm | Maximum recess radius |
| da max | 322 mm | Maximum diameter of shaft shoulder |
| db min | 278 mm | Minimum cavity diameter of the sleeve |
| Ba min | 11 mm | Minimum cavity width of the sleeve |
| rmin | 6 mm | Minimum chamfer dimension |
| D1 | 460.6 mm | Bore diameter outer ring |
| ds | 12.5 mm | Diameter lubrication hole |
| ns | 23.5 mm | Width of lubricating groove |
| Tmin | -30 °C | Operating temperature min. |
| Tmax | 200 °C | Operating temperature max. |
| e | 0.31 | Limiting value of Fa/Fr for the applicability of diff. Values of factors X and Y |
| Y1 | 2.15 | Dynamic axial load factor |
| Y2 | 3.2 | Dynamic axial load factor |
| Y0 | 2.1 | Static axial load factor |
H2352X | Adapter sleeve | |
AH2352G | Withdrawal sleeve |
| Design | BEA | with lose center lip ring |
| Bore type | K | Tapered, taper 1:12 |
| Cage | MB1 | Solid brass cage |
| Radial internal clearance | CN (Group N) | Normal internal clearance |
| Relubrication feature | Standard |