PRODUCTS

  • Home
  • Giới thiệu sản phẩm

FAG
22252-BEA-XL-K-MB1
Spherical Roller Bearing 22252-BEA-XL-K-MB1
Thêm vào yêu cầu báo giá
Main Dimensions & Performance Data
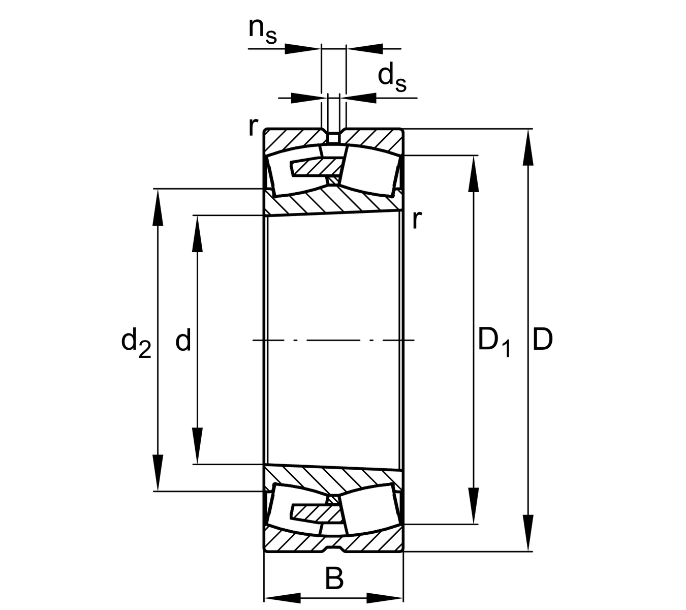
d
260 mm
Bore diameter
D
480 mm
Outside diameter
B
130 mm
Width
Cr
2,600,000 N
Basic dynamic load rating, radial
C0r
3,450,000 N
Basic static load rating, radial
Cur
295,000 N
Fatigue load limit, radial
nG
1,720 1/min
Limiting speed
nϑr
1,070 1/min
Reference speed
≈m
101.01 kg
Weight

Mounting dimensions
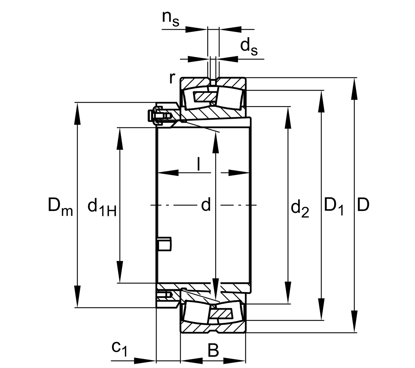
da min
280 mm
Minimum diameter shaft shoulder
Da max
460 mm
Maximum diameter of housing shoulder
ra max
4 mm
Maximum recess radius
da max
308 mm
Maximum diameter of shaft shoulder
db min
276 mm
Minimum cavity diameter of the sleeve
Ba min
25 mm
Minimum cavity width of the sleeve

Dimensions
rmin
5 mm
Minimum chamfer dimension
D1
415.1 mm
Bore diameter outer ring
ds
12.5 mm
Diameter lubrication hole
ns
23.5 mm
Width of lubricating groove

Temperature range
Tmin
-30 °C
Operating temperature min.
Tmax
200 °C
Operating temperature max.

Calculation factors
e
0.26
Limiting value of Fa/Fr for the applicability of diff. Values of factors X and Y
Y1
2.57
Dynamic axial load factor
Y2
3.83
Dynamic axial load factor
Y0
2.52
Static axial load factor

Additional information
H3152X
Adapter sleeve
AH2252G
Withdrawal sleeve

Your current product variant
DesignBEAwith lose center lip ring
Bore typeKTapered, taper 1:12
CageMB1Solid brass cage
Radial internal clearanceCN (Group N)Normal internal clearance
Relubrication featureStandard
Thêm vào yêu cầu báo giá