PRODUCTS

  • Home
  • Giới thiệu sản phẩm

INA
VSU201094-VSP
Slewing Ring, Four Point contact bearing, without gear teeth VSU201094-VSP
Thêm vào yêu cầu báo giá
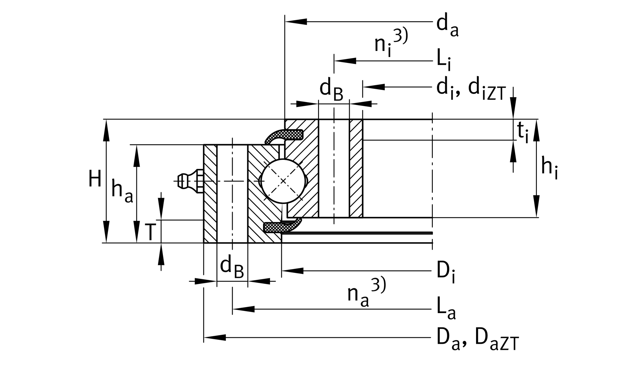
Main Dimensions & Performance Data
di
1,022 mm
Inner diameter inner ring
0 mm
Inner diameter inner ring lower tolerance
0.7 mm
Inner diameter inner ring upper tolerance
H
56 mm
Height
Da
1,166 mm
Outside Diameter
-0.7 mm
Outside diameter lower tolerance
0 mm
Outside diameter upper tolerance
ha
44.5 mm
Width outer ring
hi
44.5 mm
Width inner ring
≈m
91 kg
Weight

Dimensions
Di
1,095.5 mm
Inner diameter outer ring
0.7 mm
Inner diameter outer ring upper tolerance
0 mm
Inner diameter outer ring lower tolerance
da
1,092.5 mm
Outside diameter inner ring
0 mm
Outside diameter inner ring upper tolerance
-0.7 mm
Outside diameter inner ring lower tolerance
dB
14 mm
Fixing bore
La
1,140 mm
Pitchcircle diameter fixing holes outer ring
na
48
Number of fixing holes in outer ring
Li
1,048 mm
Pitchcircle diameter fixing holes inner ring
ni
48
Number of fixing holes in inner ring
Fr zul
198,200 N
Max. radial load fixing screws (friction locking)

Temperature range
Tmin
-25 °C
Operating temperature min.
Tmax
80 °C
Operating temperature max.

Calculation factors
Ca
198,000 N
Basic dynamic load rating, axial
C0a
1,770,000 N
Basic static load rating, axial
Cr
179,000 N
Basic dynamic load rating, radial (for radial load only)
C0r
810,000 N
Basic static load rating, radial (for radial load only)

Your current product variant
PreloadVSPBearing with preload
Thêm vào yêu cầu báo giá