PRODUCTS

  • Home
  • Giới thiệu sản phẩm

INA
VSU251055-VSP
Slewing Ring, Four Point contact bearing, without gear teeth VSU251055-VSP
Thêm vào yêu cầu báo giá
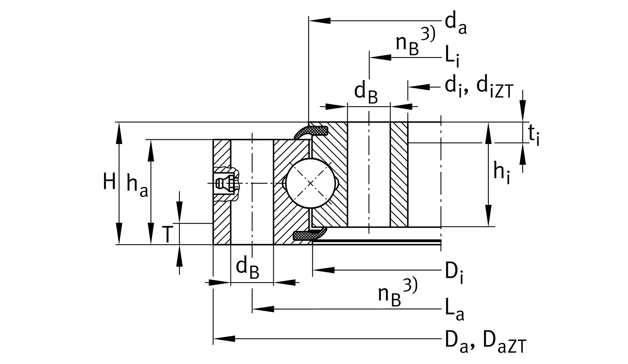
Main Dimensions & Performance Data
di
955 mm
Inner diameter inner ring
0.8 mm
Inner diameter inner ring lower tolerance
0.8 mm
Inner diameter inner ring upper tolerance
H
63 mm
Height
Da
1,155 mm
Outside Diameter
1.2 mm
Outside diameter lower tolerance
1.2 mm
Outside diameter upper tolerance
ha
54 mm
Width outer ring
hi
54 mm
Width inner ring
0.03 mm
Normal radial clearance min.
0.13 mm
Normal radial clearance max.
0.05 mm
Normal axial clearance min.
0.24 mm
Normal axial clearance max.
≈m
128 kg
Weight

Dimensions
Di
1,053 mm
Inner diameter outer ring
da
1,057 mm
Outside diameter inner ring
dB
22 mm
Fixing bore
La
1,115 mm
Pitchcircle diameter fixing holes outer ring
na
30
Number of fixing holes in outer ring
Li
995 mm
Pitchcircle diameter fixing holes inner ring
ni
30
Number of fixing holes in inner ring
Fr zul
363,300 N
Max. radial load fixing screws (friction locking)

Temperature range
Tmin
-25 °C
Operating temperature min.
Tmax
80 °C
Operating temperature max.

Calculation factors
Ca
385,000 N
Basic dynamic load rating, axial
C0a
3,750,000 N
Basic static load rating, axial
Cr
350,000 N
Basic dynamic load rating, radial (for radial load only)
C0r
1,720,000 N
Basic static load rating, radial (for radial load only)

Your current product variant
PreloadVSPBearing with preload
Thêm vào yêu cầu báo giá