PRODUCTS
- Home
- Giới thiệu sản phẩm
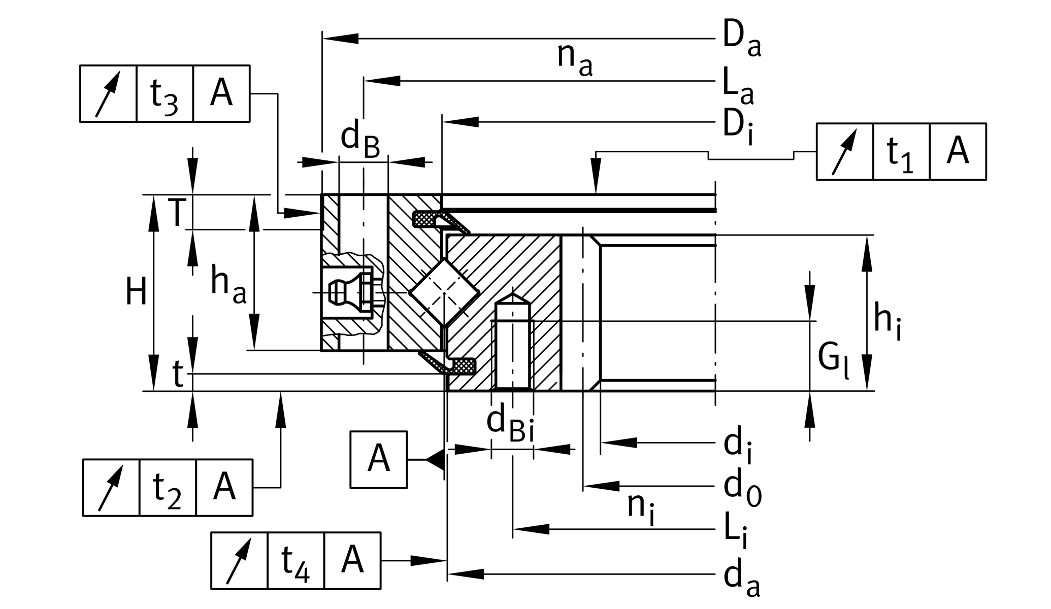
| di | 840 mm | Bore Diameter |
| da ZT | 941 mm | Diameter centring inner ring |
-IT7 | Diameter centring inner ring tolerance | |
| t | 4.5 mm | Length centering inner ring |
| Da ZT | 1,014 mm | Diameter centring outer ring |
-IT7 | Diameter centring outer ring tolerance | |
| T | 10 mm | Length centering outer ring |
| H | 56 mm | Height |
| ≈m | 74.1 kg | Weight |
| Di | 945 mm | Inner diameter outer ring |
0.7 mm | Inner diameter outer ring upper tolerance | |
0 mm | Inner diameter outer ring lower tolerance | |
| ha | 44.5 mm | Width outer ring |
| La | 990 mm | Pitchcircle diameter fixing holes outer ring |
| na | 44 | Number of fixing holes in outer ring |
| dB | 14 mm | Fixing bore |
44.5 mm | Width inner ring | |
| Li | 905 mm | Pitchcircle diameter fixing holes inner ring |
| ni | 44 | Number of fixing holes in inner ring |
M12 | Tread fixing bore | |
| tG | 20 mm | Thread depth oil connector |
| b | 44.5 mm | Width gearing |
| m | 8 mm | Modul of gearing |
| z | 107 | Number of teeth |
| d0 | 856 mm | Pitch circle diameter gearing |
| Fz norm | 31,400 N | Max. tooth force root fatigue strenght |
| Fz max | 46,700 N | Max. tooth force against tooth fracture |
0.06 mm | Running accuracy | |
0.06 mm | Running accuracy | |
0.11 mm | Running accuracy | |
0.09 mm | Running accuracy |
| Tmin | -25 °C | Operating temperature min. |
| Tmax | 80 °C | Operating temperature max. |
| Ca | 315,000 N | Basic dynamic load rating, axial |
| C0a | 1,240,000 N | Basic static load rating, axial |
| Cr | 223,000 N | Basic dynamic load rating, radial (for radial load only) |
| C0r | 610,000 N | Basic static load rating, radial (for radial load only) |
| VSPmax | 0.05 mm | Maximum bearing preload |
| VSPmin | 0.01 mm | Min. bearing preload |
| Fr zul | 181,700 N | Max. radial load fixing screws (friction locking) |
| Gearing | N | Normalized gear teeth on bearing ring |