PRODUCTS
- Home
- Giới thiệu sản phẩm
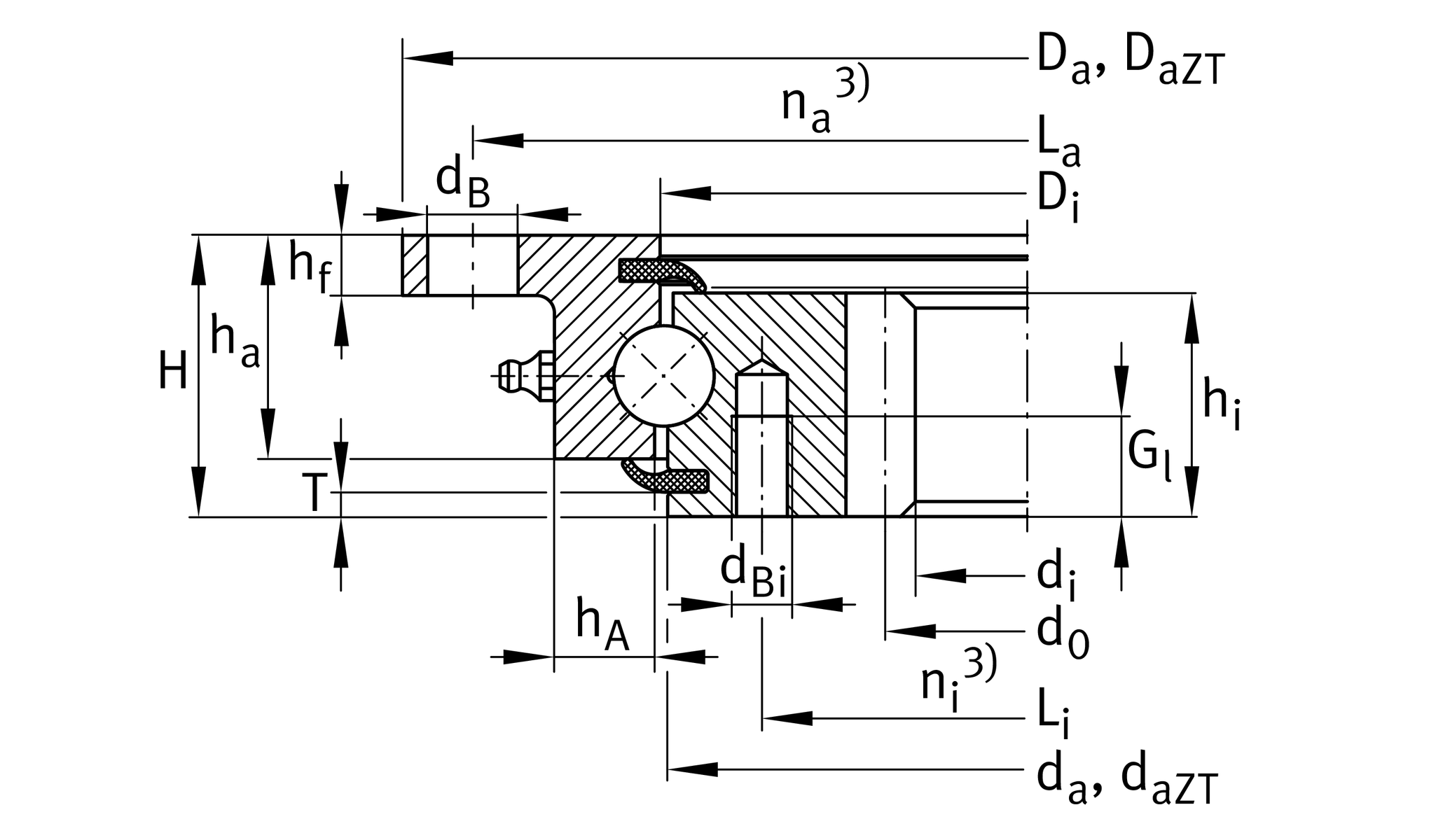
| d1 | 840 mm | Bore Diameter |
| H | 56 mm | Height |
| Da | 1,048 mm | Outside Diameter |
-0.7 mm | Outside diameter lower tolerance | |
0 mm | Outside diameter upper tolerance | |
-IT8 | Diameter centring outer ring tolerance | |
| hf | 12 mm | height of flange |
| ha | 44.5 mm | Width outer ring |
| hi | 44.5 mm | Width inner ring |
| ≈m | 67.5 kg | Weight |
| Di | 945.5 mm | Inner diameter outer ring |
0.7 mm | Inner diameter outer ring upper tolerance | |
0 mm | Inner diameter outer ring lower tolerance | |
| La | 1,020 mm | Pitchcircle diameter fixing holes outer ring |
| na | 16 | Number of fixing holes in outer ring |
| dB | 18 mm | Fixing bore |
| da | 942.5 mm | Outside diameter inner ring |
0 mm | Outside diameter inner ring upper tolerance | |
-0.7 mm | Outside diameter inner ring lower tolerance | |
| Li | 905 mm | Pitchcircle diameter fixing holes inner ring |
| dBi | M12 | Tread fixing bore |
| Gl | 20 mm | Thread depth fixing hole |
| ni | 22 | Number of fixing holes in inner ring |
| Fr zul | 90,900 N | Max. radial load fixing screws (friction locking) |
| m | 8 mm | Modul of gearing |
| z | 107 | Number of teeth |
| d0 | 856 mm | Pitch circle diameter gearing |
| hA | 20 mm | Ring cross section |
| Fz norm | 31,400 N | Max. tooth force root fatigue strenght (at a shock factor of 1,2) |
| Fz max | 46,700 N | Max. tooth force against tooth fracture (at a shock factor of 1,35) |
| Tmin | -25 °C | Operating temperature min. |
| Tmax | 80 °C | Operating temperature max. |
| Ca | 188,000 N | Basic dynamic load rating, axial |
| C0a | 670,000 N | Basic static load rating, axial |
| Cr | 170,000 N | Basic dynamic load rating, radial |
| C0r | 250,000 N | Basic static load rating, radial |
| Gearing | N | Normalized gear teeth on bearing ring |
| Radial internal clearance | Standard_VL | Standard radial clearance 0 to 0,5 and axial tilting clearance 0 to 0,7 |