PRODUCTS

  • Home
  • Giới thiệu sản phẩm

INA
VLU200944
Slewing Ring, Four Point contact bearing, without gear teeth VLU200944
Thêm vào yêu cầu báo giá
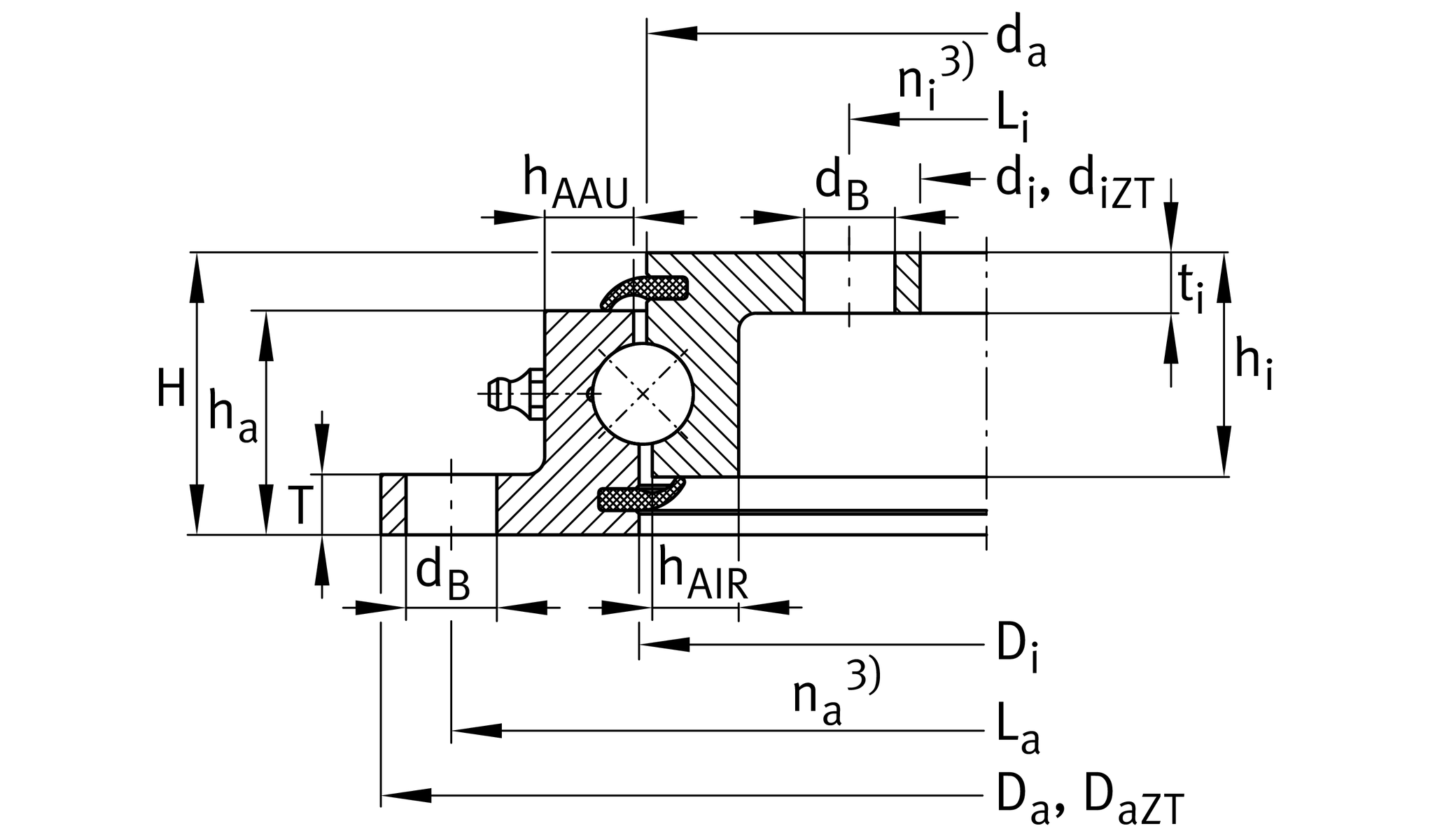
Main Dimensions & Performance Data
di
834 mm
Inner diameter inner ring
0 mm
Inner diameter inner ring lower tolerance
0.7 mm
Inner diameter inner ring upper tolerance
H
56 mm
Height
Da
1,048 mm
Outside Diameter
-0.7 mm
Outside diameter lower tolerance
0 mm
Outside diameter upper tolerance
T
12 mm
Length centering outer ring
t
12 mm
Length centering inner ring
ha
44.5 mm
Width outer ring
hi
44.5 mm
Width inner ring
≈m
54.125 kg
Weight

Dimensions
Di
945.5 mm
Inner diameter outer ring
0.7 mm
Inner diameter outer ring upper tolerance
0 mm
Inner diameter outer ring lower tolerance
da
942.5 mm
Outside diameter inner ring
0 mm
Outside diameter inner ring upper tolerance
-0.7 mm
Outside diameter inner ring lower tolerance
dB
18 mm
Fixing bore
La
1,020 mm
Pitchcircle diameter fixing holes outer ring
na
16
Number of fixing holes in outer ring
Li
862 mm
Pitchcircle diameter fixing holes inner ring
ni
20
Number of fixing holes in inner ring
Fr zul
124,800 N
Max. radial load fixing screws (friction locking)
hA
20 mm
Ring cross section

Temperature range
Tmin
-25 °C
Operating temperature min.
Tmax
80 °C
Operating temperature max.

Calculation factors
Ca
188,000 N
Basic dynamic load rating, axial
C0a
670,000 N
Basic static load rating, axial
Cr
170,000 N
Basic dynamic load rating, radial (for radial load only)
C0r
250,000 N
Basic static load rating, radial (for radial load only)

Your current product variant
Radial internal clearanceStandard_VLStandard radial clearance 0 to 0,5 and axial tilting clearance 0 to 0,7
Thêm vào yêu cầu báo giá