PRODUCTS

  • Home
  • Giới thiệu sản phẩm

INA
VSU200844-RR
Slewing Ring, Four Point contact bearing, without gear teeth VSU200844-RR
Thêm vào yêu cầu báo giá
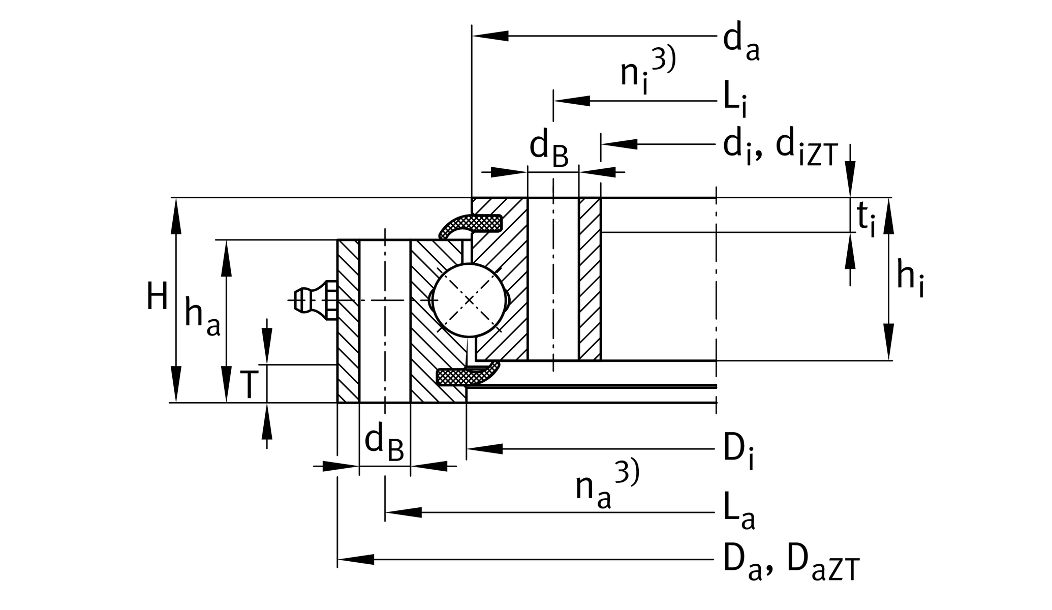
Main Dimensions & Performance Data
di
772 mm
Inner diameter inner ring
0 mm
Inner diameter inner ring lower tolerance
0.6 mm
Inner diameter inner ring upper tolerance
H
56 mm
Height
Da
916 mm
Outside Diameter
-0.6 mm
Outside diameter lower tolerance
0 mm
Outside diameter upper tolerance
ha
44.5 mm
Width outer ring
hi
44.5 mm
Width inner ring
≈m
60 kg
Weight

Dimensions
Di
845.5 mm
Inner diameter outer ring
0.6 mm
Inner diameter outer ring upper tolerance
0 mm
Inner diameter outer ring lower tolerance
da
842.5 mm
Outside diameter inner ring
0 mm
Outside diameter inner ring upper tolerance
-0.6 mm
Outside diameter inner ring lower tolerance
dB
14 mm
Fixing bore
La
890 mm
Pitchcircle diameter fixing holes outer ring
na
40
Number of fixing holes in outer ring
Li
798 mm
Pitchcircle diameter fixing holes inner ring
ni
40
Number of fixing holes in inner ring
Fr zul
165,200 N
Max. radial load fixing screws (friction locking)

Temperature range
Tmin
-25 °C
Operating temperature min.
Tmax
80 °C
Operating temperature max.

Calculation factors
Ca
180,000 N
Basic dynamic load rating, axial
C0a
1,360,000 N
Basic static load rating, axial
Cr
163,000 N
Basic dynamic load rating, radial (for radial load only)
C0r
620,000 N
Basic static load rating, radial (for radial load only)

Your current product variant
CoatingRRProtected against corrosion by Corrotect special coating
Radial internal clearanceStandard_SLStandard radial clearance 0 to 0,3 and axial tilting clearance 0 to 0,53
Thêm vào yêu cầu báo giá