PRODUCTS
- Home
- Giới thiệu sản phẩm
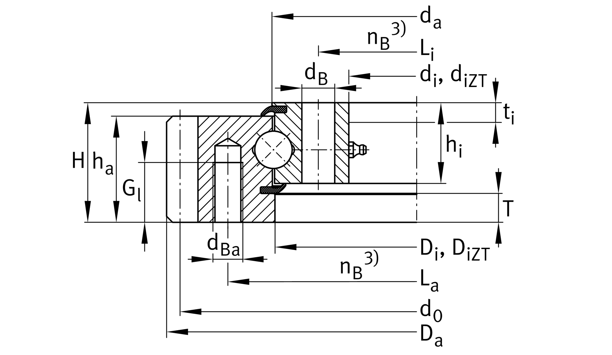
| di | 755 mm | Bore Diameter |
| diZT | 757 mm | Diameter centring inner ring |
IT8 | Diameter centring inner ring tolerance | |
| H | 80 mm | Height |
| Da | 997 mm | Outside Diameter |
| Di ZT | 855 mm | Diameter centring outer ring |
IT8 | Diameter centring outer ring tolerance | |
| T | 19 mm | Length centering outer ring |
| t | 15 mm | Length centering inner ring |
| ha | 71 mm | Width outer ring |
| hi | 54 mm | height of inner ring |
0.03 mm | Normal radial clearance min. | |
0.13 mm | Normal radial clearance max. | |
0.05 mm | Normal axial clearance min. | |
0.24 mm | Normal axial clearance max. | |
| ≈m | 145 kg | Weight |
| Di | 853 mm | Inner diameter outer ring |
| da | 857 mm | Outside diameter inner ring |
| ni | 28 | Number of fixing holes in inner ring |
| Li | 795 mm | Pitchcircle diameter fixing holes inner ring |
| dB | 22 mm | Fixing bore |
| na | 28 | Number of fixing holes in outer ring |
| La | 916 mm | Pitchcircle diameter fixing holes outer ring |
| dBa | M20 | Tread fixing bore |
| Gl | 40 mm | Thread depth fixing hole |
| Fr zul | 430,000 N | Max. radial load fixing screws (friction locking) |
| d0 | 981 mm | Pitch circle diameter gearing |
| m | 9 mm | Modul of gearing |
| z | 109 | Number of teeth |
| Fz norm | 55,100 N | Max. tooth force root fatigue strenght (at a shock factor of 1,2) |
| Fz max | 80,200 N | Max. tooth force against tooth fracture (at a shock factor of 1,35) |
| Tmin | -25 °C | Operating temperature min. |
| Tmax | 80 °C | Operating temperature max. |
| Ca | 360,000 N | Basic dynamic load rating, axial |
| C0a | 3,050,000 N | Basic static load rating, axial |
| Cr | 325,000 N | Basic dynamic load rating, radial |
| C0r | 1,400,000 N | Basic static load rating, radial |
| Centering | ZT | Centering on inner and outer ring |
| Gearing | N | Normalized gear teeth on bearing ring |