PRODUCTS

  • Home
  • Giới thiệu sản phẩm

FAG
16014-MA
Deep groove ball bearing 16014-MA
Thêm vào yêu cầu báo giá
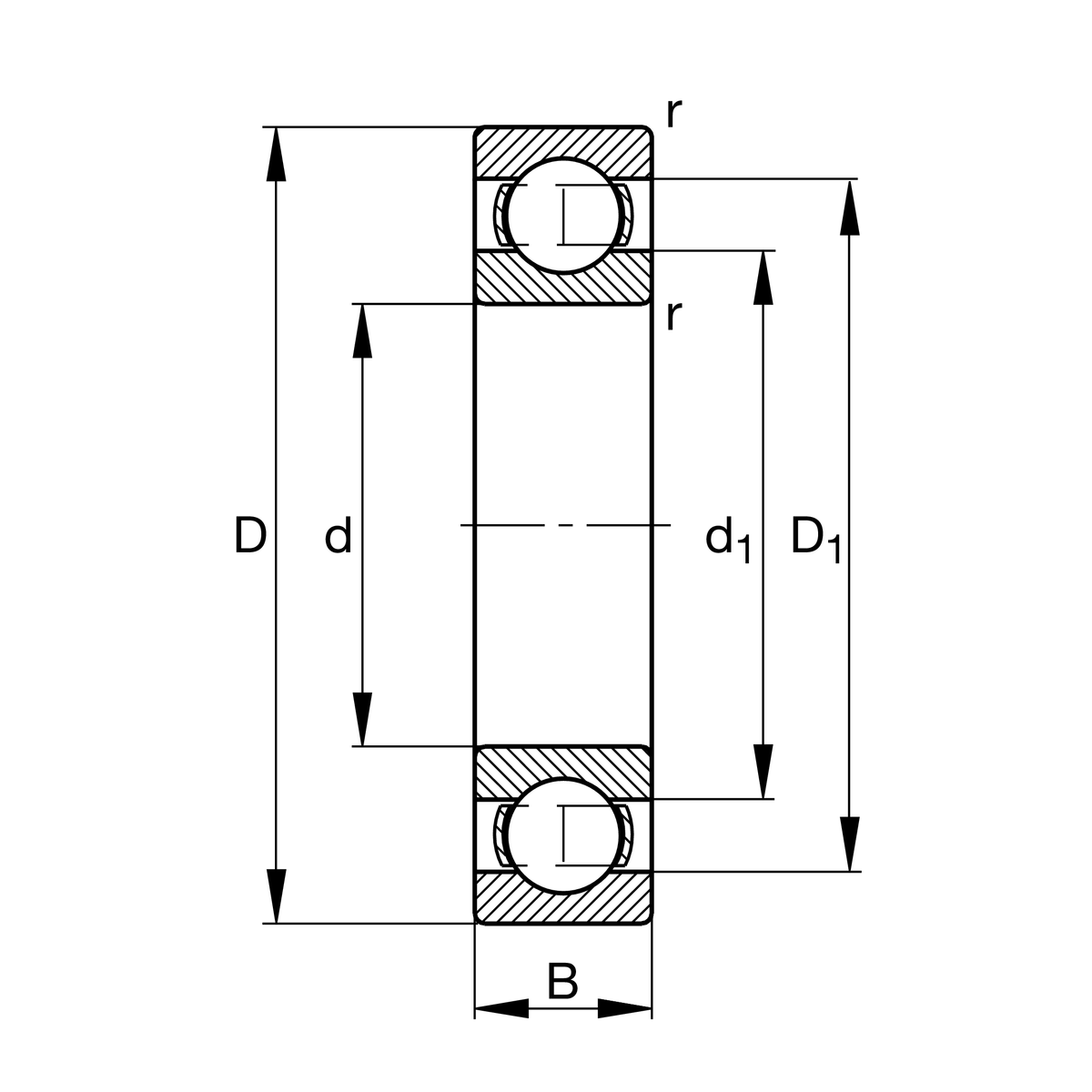
Main Dimensions & Performance Data
d
70 mm
Bore diameter
D
110 mm
Outside diameter
B
13 mm
Width
Cr
29,500 N
Basic dynamic load rating, radial
C0r
25,000 N
Basic static load rating, radial
Cur
1,260 N
Fatigue load limit, radial
nG
11,500 1/min
Limiting speed
nϑr
5,300 1/min
Reference speed
≈m
0.484 kg
Weight

Mounting dimensions
da min
73.2 mm
Minimum diameter shaft shoulder
Da max
106.8 mm
Maximum diameter of housing shoulder
ra max
0.6 mm
Maximum fillet radius

Dimensions
rmin
0.6 mm
Minimum chamfer dimension
D1
96.65 mm
Shoulder diameter outer ring
d1
83.7 mm
Shoulder diameter inner ring

Temperature range
Tmin
-30 °C
Operating temperature min.
Tmax
150 °C
Operating temperature max.

Calculation factors
f0
16.2
Calculation factor

Your current product variant
SealingWithoutNot sealed
CageMAsolid brass cage, outer ring guided
Tolerance classPNNormal (PN)
Dimensional / heat stabilization S0Rings dimensional stabilized up to 150°
LubricantWithoutBearing not greased
Bore typeZCylindrical
Radial internal clearanceCN (Group N)Normal internal clearance
Thêm vào yêu cầu báo giá