PRODUCTS

  • Home
  • Giới thiệu sản phẩm

INA
VLU200744-RL3
Slewing Ring, Four Point contact bearing, without gear teeth VLU200744-RL3
Thêm vào yêu cầu báo giá
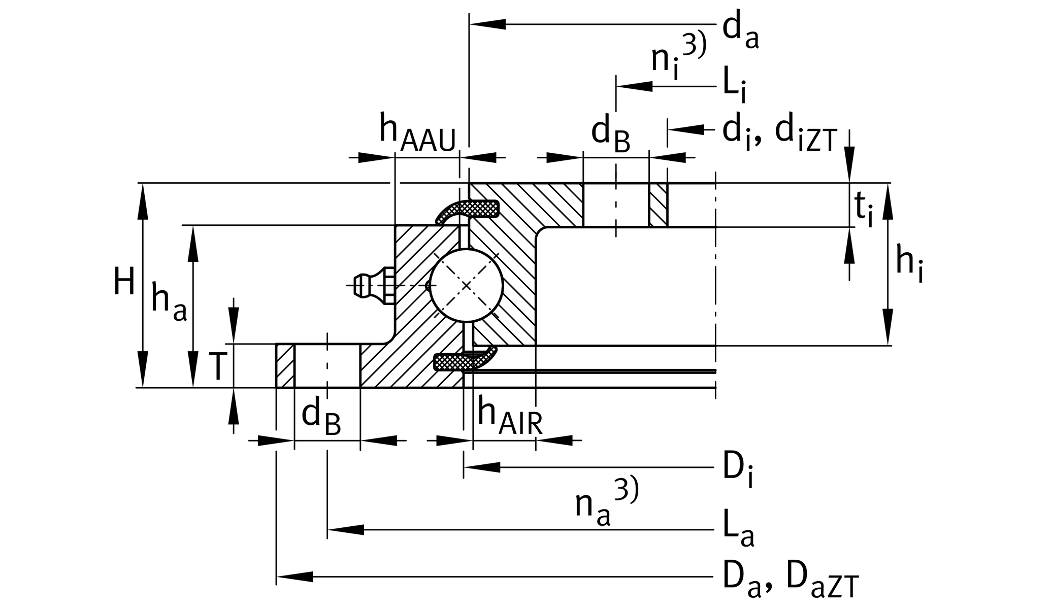
Main Dimensions & Performance Data
di
634 mm
Inner diameter inner ring
0 mm
Inner diameter inner ring lower tolerance
0.6 mm
Inner diameter inner ring upper tolerance
H
56 mm
Height
Da
848 mm
Outside Diameter
-0.6 mm
Outside diameter lower tolerance
0 mm
Outside diameter upper tolerance
T
12 mm
Length centering outer ring
t
12 mm
Length centering inner ring
ha
44.5 mm
Width outer ring
hi
44.5 mm
Width inner ring
≈m
41.8 kg
Weight

Dimensions
Di
745.5 mm
Inner diameter outer ring
0.6 mm
Inner diameter outer ring upper tolerance
0 mm
Inner diameter outer ring lower tolerance
da
742.5 mm
Outside diameter inner ring
0 mm
Outside diameter inner ring upper tolerance
-0.6 mm
Outside diameter inner ring lower tolerance
dB
18 mm
Fixing bore
La
820 mm
Pitchcircle diameter fixing holes outer ring
na
12
Number of fixing holes in outer ring
Li
662 mm
Pitchcircle diameter fixing holes inner ring
ni
16
Number of fixing holes in inner ring
Fr zul
93,600 N
Max. radial load fixing screws (friction locking)
hA
20 mm
Ring cross section

Temperature range
Tmin
-25 °C
Operating temperature min.
Tmax
80 °C
Operating temperature max.

Calculation factors
Ca
171,000 N
Basic dynamic load rating, axial
C0a
530,000 N
Basic static load rating, axial
Cr
155,000 N
Basic dynamic load rating, radial (for radial load only)
C0r
197,000 N
Basic static load rating, radial (for radial load only)

Your current product variant
Radial internal clearanceRL3Radial clearance 0,25 to 0,5 axial tilting clearance 0,4 to 0,7
Thêm vào yêu cầu báo giá