PRODUCTS
- Home
- Giới thiệu sản phẩm
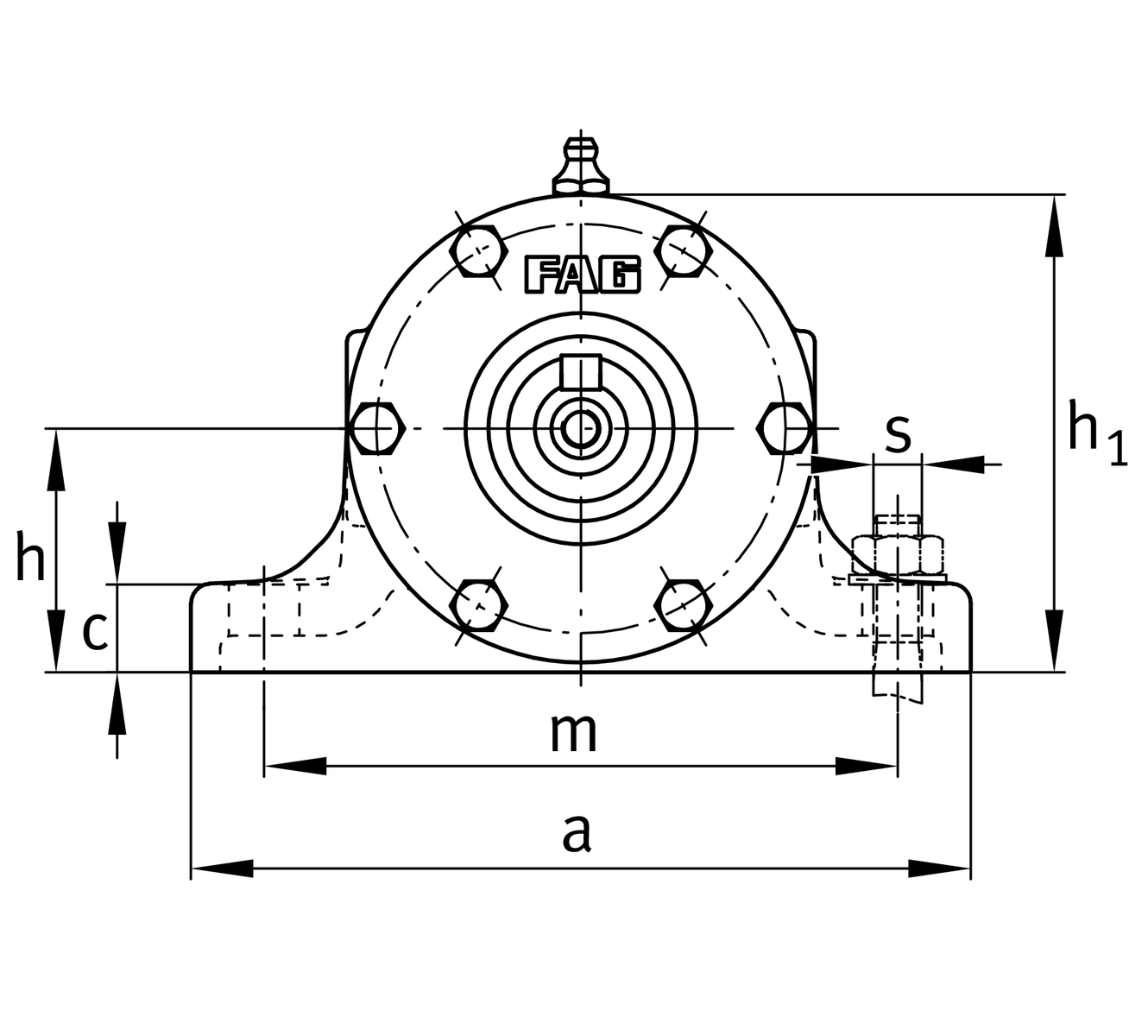
| d | 50 mm | Shaft diameter |
| a | 210 mm | Length base |
| h1 | 138 mm | Height |
| g2 | 381 mm | Total width with cover |
| ≈m | 28.1 kg | Weight |
| B | 27 mm | width |
| b | 60 mm | width base |
| c | 25 mm | heigth base |
| D | 110 mm | outside diameter bearing |
| d2 | 60 mm | shaft diameter shoulder |
| d4 | 42 mm | Shaft dieameter outside |
| e | 313 mm | locking collar width |
| h | 70 mm | center heigth |
| m | 170 mm | distance fixing bore |
| n | 275 mm | bore distance width |
| s | M12 | size of fixing screws |
| w1 | 625 mm | length shaft total |
| w3 | 110 mm | length shaft tap |
| w4 | 179.5 mm | lenght shaft end |
| w5 | 266 mm | length shaft shoulder |
6310-C3 | bearing designation | |
6310-C3 | reference bearing designation | |
VR310-A | housing |