PRODUCTS

  • Home
  • Giới thiệu sản phẩm

FAG
VRE308-F
Plummer block housing unit VRE308-F
Thêm vào yêu cầu báo giá
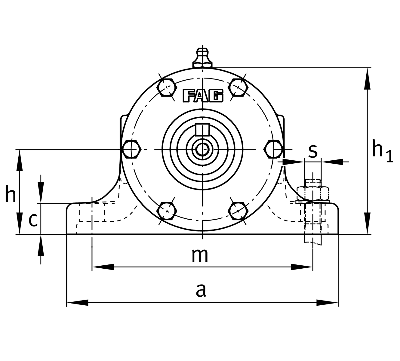
Main Dimensions & Performance Data
d
40 mm
Shaft diameter
a
190 mm
Length base
h1
118 mm
Height
g2
317 mm
Total width with cover
≈m
18 kg
Weight

Dimensions
B
23 mm
width
b
52 mm
width base
c
20 mm
heigth base
D
90 mm
outside diameter bearing
d2
50 mm
shaft diameter shoulder
d4
32 mm
Shaft dieameter outside
e
256 mm
locking collar width
h
60 mm
center heigth
m
150 mm
distance fixing bore
n
225 mm
bore distance width
s
M12
size of fixing screws
w1
501 mm
length shaft total
w3
80 mm
length shaft tap
w4
144.5 mm
lenght shaft end
w5
213 mm
length shaft shoulder
w7
143.5 mm
Lenght shaft end

Additional information
6308-C3
bearing designation
6308-C3
reference bearing designation
VR308-F
housing
Thêm vào yêu cầu báo giá