PRODUCTS
- Home
- Giới thiệu sản phẩm
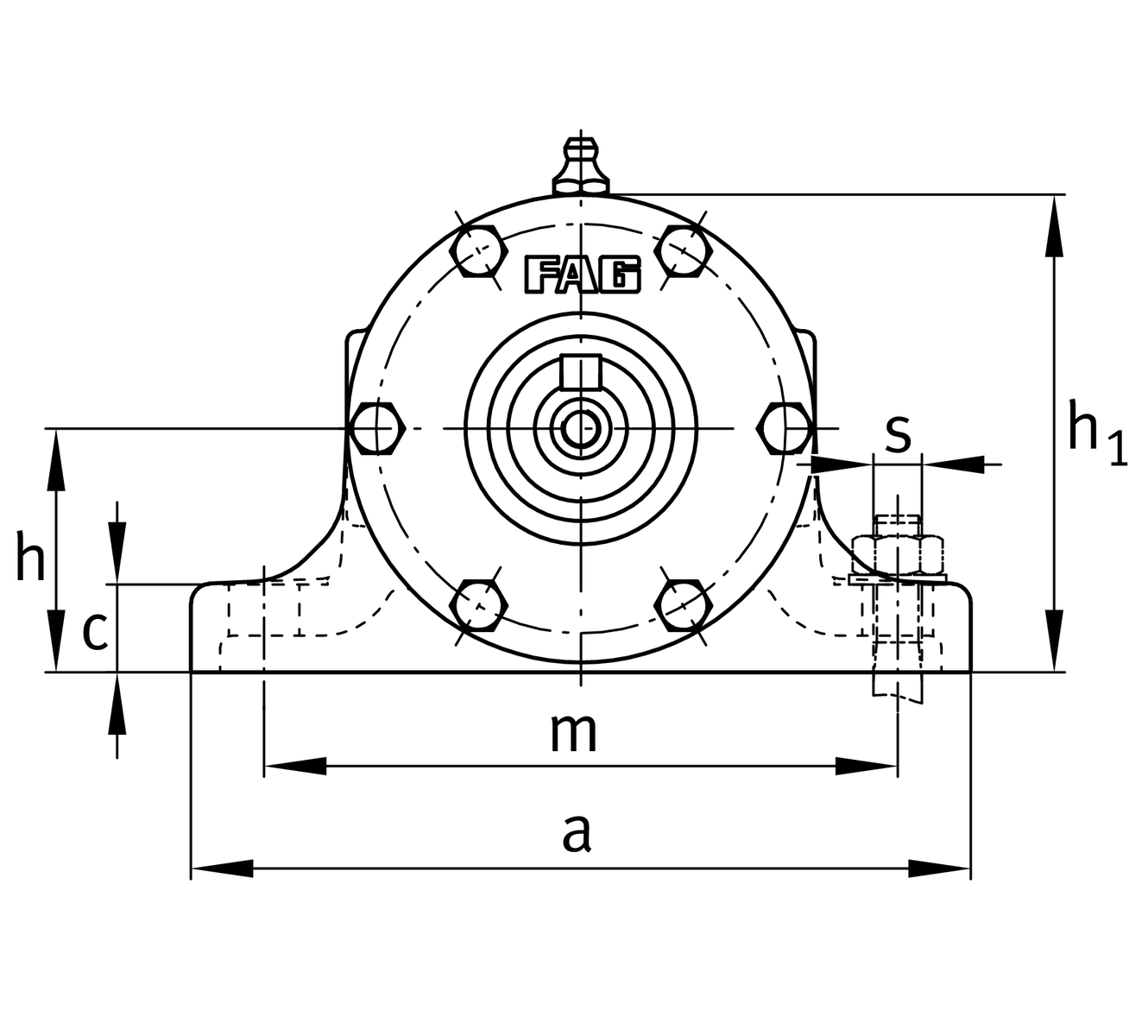
| d | 40 mm | Shaft diameter |
| a | 190 mm | Length base |
| h1 | 118 mm | Height |
| g2 | 317 mm | Total width with cover |
| ≈m | 18 kg | Weight |
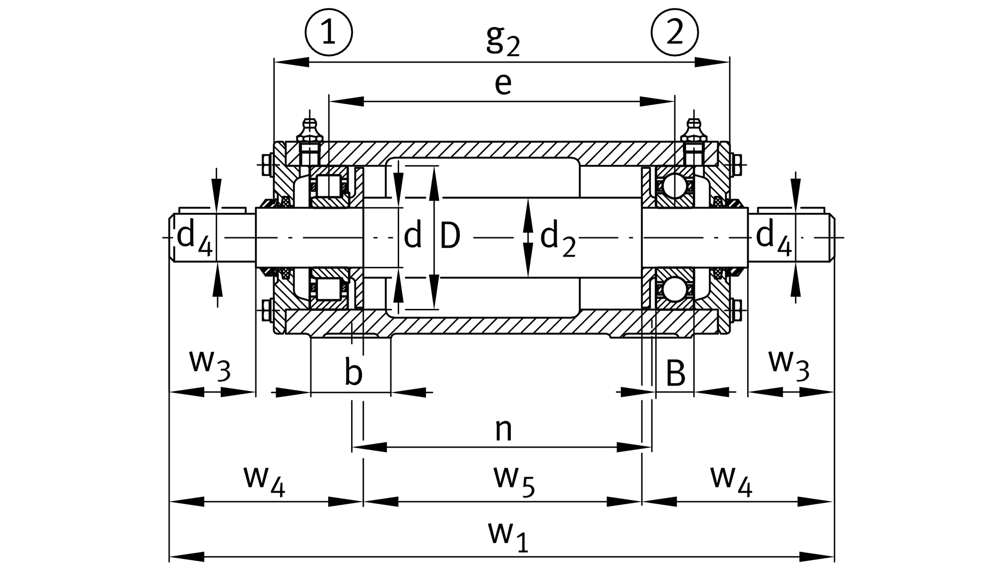
| B | 23 mm | width |
| b | 52 mm | width base |
| c | 20 mm | heigth base |
| D | 90 mm | outside diameter bearing |
| d2 | 50 mm | shaft diameter shoulder |
| d4 | 32 mm | Shaft dieameter outside |
| e | 258 mm | locking collar width |
| h | 60 mm | center heigth |
| m | 150 mm | distance fixing bore |
| n | 225 mm | bore distance width |
| s | M12 | size of fixing screws |
| w1 | 501 mm | length shaft total |
| w3 | 80 mm | length shaft tap |
| w4 | 143.5 mm | lenght shaft end |
| w5 | 214 mm | length shaft shoulder |
NJ308-E-TVP2 | bearing designation | |
6308-C3 | reference bearing designation | |
VR308-A | housing |