PRODUCTS
- Home
- Giới thiệu sản phẩm
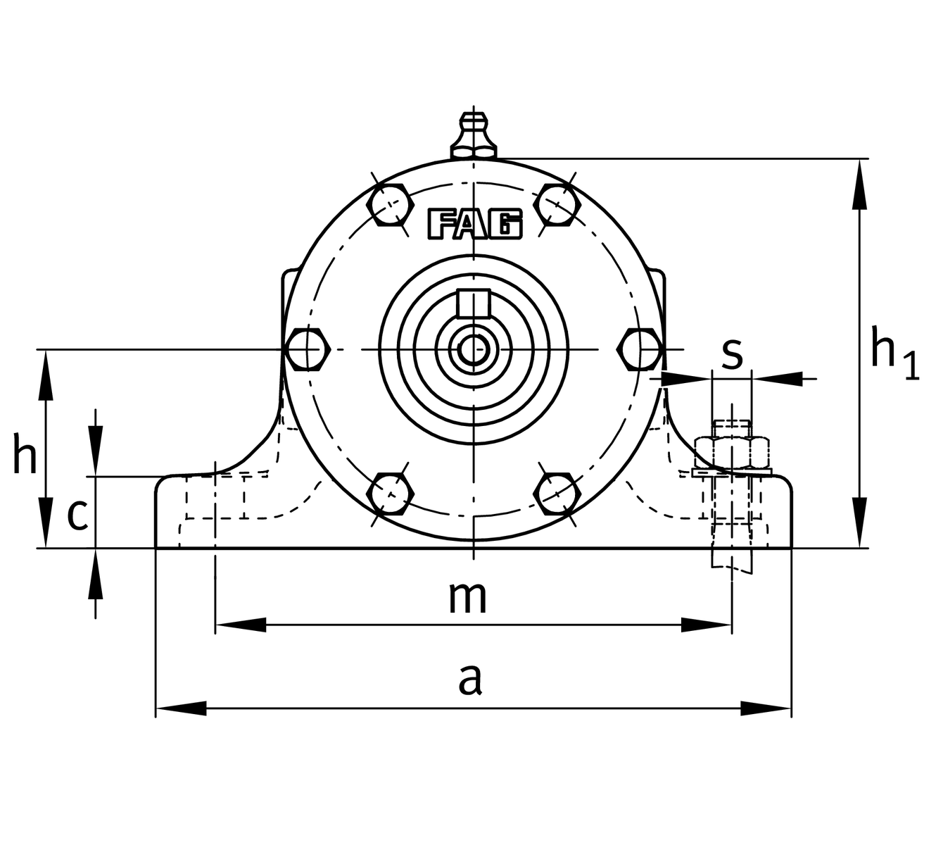
| d | 35 mm | Shaft diameter |
| a | 190 mm | Length base |
| h1 | 113 mm | Height |
| g2 | 255 mm | Total width with cover |
| ≈m | 13 kg | Weight |
| B | 21 mm | width |
| b | 45 mm | width base |
| c | 18 mm | heigth base |
| D | 80 mm | outside diameter bearing |
| d2 | 45 mm | shaft diameter shoulder |
| d4 | 28 mm | Shaft dieameter outside |
| e | 196 mm | locking collar width |
| h | 60 mm | center heigth |
| m | 150 mm | distance fixing bore |
| n | 175 mm | bore distance width |
| s | M12 | size of fixing screws |
| w1 | 395 mm | length shaft total |
| w3 | 60 mm | length shaft tap |
| w4 | 118.5 mm | lenght shaft end |
| w5 | 159 mm | length shaft shoulder |
| w7 | 117.5 mm | Lenght shaft end |
6307-C3 | bearing designation | |
6307-C3 | reference bearing designation | |
VR307-F | housing |