PRODUCTS
- Home
- Giới thiệu sản phẩm
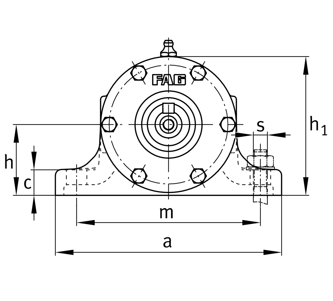
| d | 25 mm | Shaft diameter |
| a | 155 mm | Length base |
| h1 | 87 mm | Height |
| g2 | 198 mm | Total width with cover |
| ≈m | 7 kg | Weight |
| B | 17 mm | width |
| b | 35 mm | width base |
| c | 16 mm | heigth base |
| D | 62 mm | outside diameter bearing |
| d2 | 35 mm | shaft diameter shoulder |
| d4 | 19 mm | Shaft dieameter outside |
| e | 148 mm | locking collar width |
| h | 45 mm | center heigth |
| m | 120 mm | distance fixing bore |
| n | 135 mm | bore distance width |
| s | M12 | size of fixing screws |
| w1 | 298 mm | length shaft total |
| w3 | 40 mm | length shaft tap |
| w4 | 90.5 mm | lenght shaft end |
| w5 | 117 mm | length shaft shoulder |
6305-C3 | bearing designation | |
6305-C3 | reference bearing designation | |
VR305-A | housing |