PRODUCTS

  • Home
  • Giới thiệu sản phẩm

INA
VSU200544-RR-VSP
Slewing Ring, Four Point contact bearing, without gear teeth VSU200544-RR-VSP
Thêm vào yêu cầu báo giá
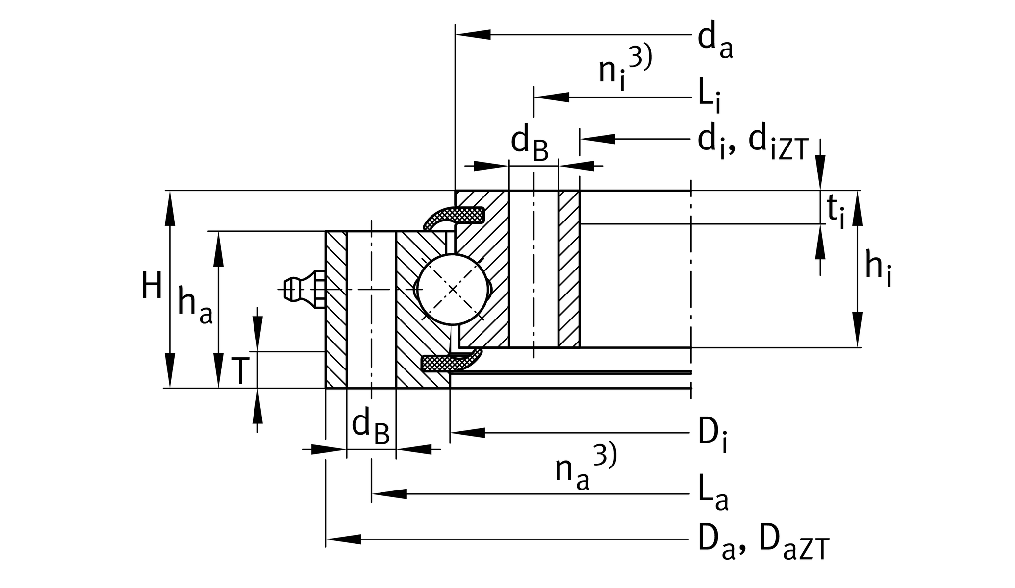
Main Dimensions & Performance Data
di
472 mm
Inner diameter inner ring
0 mm
Inner diameter inner ring lower tolerance
0.5 mm
Inner diameter inner ring upper tolerance
H
56 mm
Height
Da
616 mm
Outside Diameter
-0.5 mm
Outside diameter lower tolerance
0 mm
Outside diameter upper tolerance
T
10 mm
Length centering outer ring
t
10 mm
Length centering inner ring
ha
44.5 mm
Width outer ring
hi
44.5 mm
Width inner ring
≈m
37.4 kg
Weight

Dimensions
Di
545.5 mm
Inner diameter outer ring
0.5 mm
Inner diameter outer ring upper tolerance
0 mm
Inner diameter outer ring lower tolerance
da
542.5 mm
Outside diameter inner ring
0 mm
Outside diameter inner ring upper tolerance
-0.5 mm
Outside diameter inner ring lower tolerance
dB
14 mm
Fixing bore
La
590 mm
Pitchcircle diameter fixing holes outer ring
na
32
Number of fixing holes in outer ring
Li
498 mm
Pitchcircle diameter fixing holes inner ring
ni
32
Number of fixing holes in inner ring
Fr zul
132,200 N
Max. radial load fixing screws (friction locking)

Temperature range
Tmin
-25 °C
Operating temperature min.
Tmax
80 °C
Operating temperature max.

Calculation factors
Ca
152,000 N
Basic dynamic load rating, axial
C0a
870,000 N
Basic static load rating, axial
Cr
138,000 N
Basic dynamic load rating, radial (for radial load only)
C0r
400,000 N
Basic static load rating, radial (for radial load only)

Your current product variant
CoatingRRProtected against corrosion by Corrotect special coating
PreloadVSPBearing with preload
Thêm vào yêu cầu báo giá