PRODUCTS

  • Home
  • Giới thiệu sản phẩm

INA
CSXG180
Four-point contact bearing CSXG180
Thêm vào yêu cầu báo giá
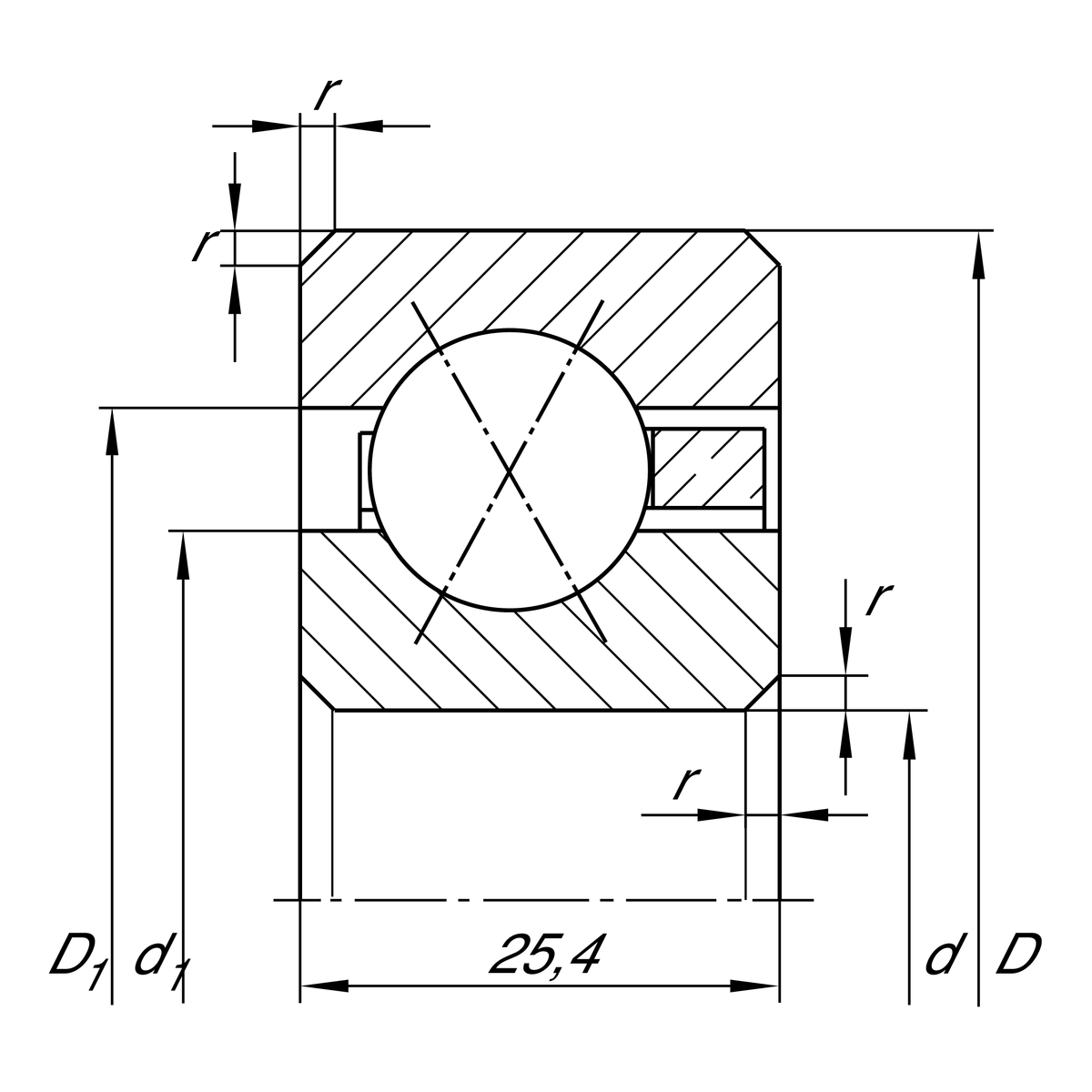
Main Dimensions & Performance Data
d
457.2 mm
Bore diameter
D
508 mm
Outside diameter
B
25.4 mm
Width
Cr
85,000 N
Basic dynamic load rating, radial
C0r
219,000 N
Basic static load rating, radial
nG
510 1/min
Limiting speed
≈m
6.21 kg
Weight

Dimensions
rmin
2 mm
Minimum chamfer dimension
d1
476.1 mm
Shoulder diameter inner ring
D1
489.2 mm
Shoulder diameter outer ring
α
30 °
Contact angle

Temperature range
Tmin
-30 °C
Operating temperature min.
Tmax
120 °C
Operating temperature max.

Your current product variant
Logistical codeHLE-
SealingWithoutNot sealed
CageYHbrass sheet metal
Tolerance classPL1Class PL1, Normal
LubricantWithoutBearing not greased
Radial internal clearancePL1Class PL1, Normal
Thêm vào yêu cầu báo giá