PRODUCTS
- Home
- Giới thiệu sản phẩm
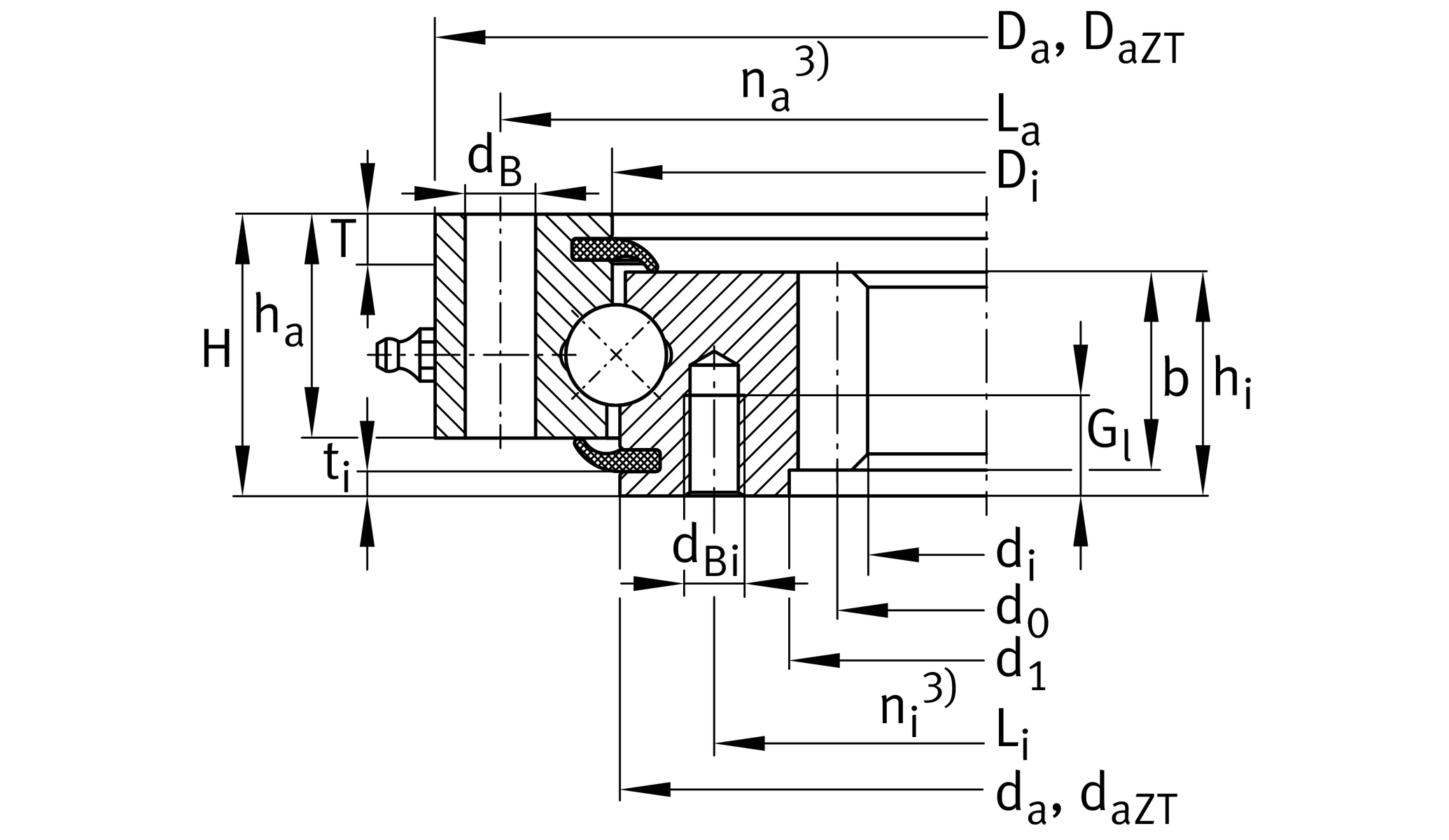
| d1 | 444 mm | Bore Diameter |
| daZT | 541 mm | Diameter centring inner ring |
-IT8 | Diameter centring inner ring tolerance | |
| T | 4.5 mm | Length centering inner ring |
| H | 56 mm | Height |
| Da | 616 mm | Outside Diameter |
-0.5 mm | Outside diameter lower tolerance | |
0 mm | Outside diameter upper tolerance | |
| Da ZT | 614 mm | Diameter centring outer ring |
-IT8 | Diameter centring outer ring tolerance | |
| T | 10 mm | Length centering outer ring |
| ha | 44.5 mm | Width outer ring |
| hi | 44.5 mm | Width inner ring |
| ≈m | 42.5 kg | Weight |
| Di | 545.5 mm | Inner diameter outer ring |
0.5 mm | Inner diameter outer ring upper tolerance | |
0 mm | Inner diameter outer ring lower tolerance | |
| La | 590 mm | Pitchcircle diameter fixing holes outer ring |
| na | 32 | Number of fixing holes in outer ring |
| dB | 14 mm | Fixing bore |
| da | 542.5 mm | Outside diameter inner ring |
0 mm | Outside diameter inner ring upper tolerance | |
-0.5 mm | Outside diameter inner ring lower tolerance | |
| Li | 505 mm | Pitchcircle diameter fixing holes inner ring |
| dBi | M12 | Tread fixing bore |
| Gl | 20 mm | Thread depth fixing hole |
| ni | 32 | Number of fixing holes in inner ring |
| Fr zul | 132,200 N | Max. radial load fixing screws (friction locking) |
| m | 6 mm | Modul of gearing |
| z | 76 | Number of teeth |
| d0 | 456 mm | Pitch circle diameter gearing |
| Fz norm | 23,700 N | Max. tooth force root fatigue strenght (at a shock factor of 1,2) |
| Fz max | 35,000 N | Max. tooth force against tooth fracture (at a shock factor of 1,35) |
| Tmin | -25 °C | Operating temperature min. |
| Tmax | 80 °C | Operating temperature max. |
| Ca | 152,000 N | Basic dynamic load rating, axial |
| C0a | 870,000 N | Basic static load rating, axial |
| Cr | 138,000 N | Basic dynamic load rating, radial |
| C0r | 400,000 N | Basic static load rating, radial |
| Centering | ZT | Centering on inner and outer ring |
| Gearing | N | Normalized gear teeth on bearing ring |
| Preload | VSP | Bearing with preload |