PRODUCTS

  • Home
  • Giới thiệu sản phẩm

FAG
22272-BEA-XL-K-MB1
Spherical Roller Bearing 22272-BEA-XL-K-MB1
Thêm vào yêu cầu báo giá
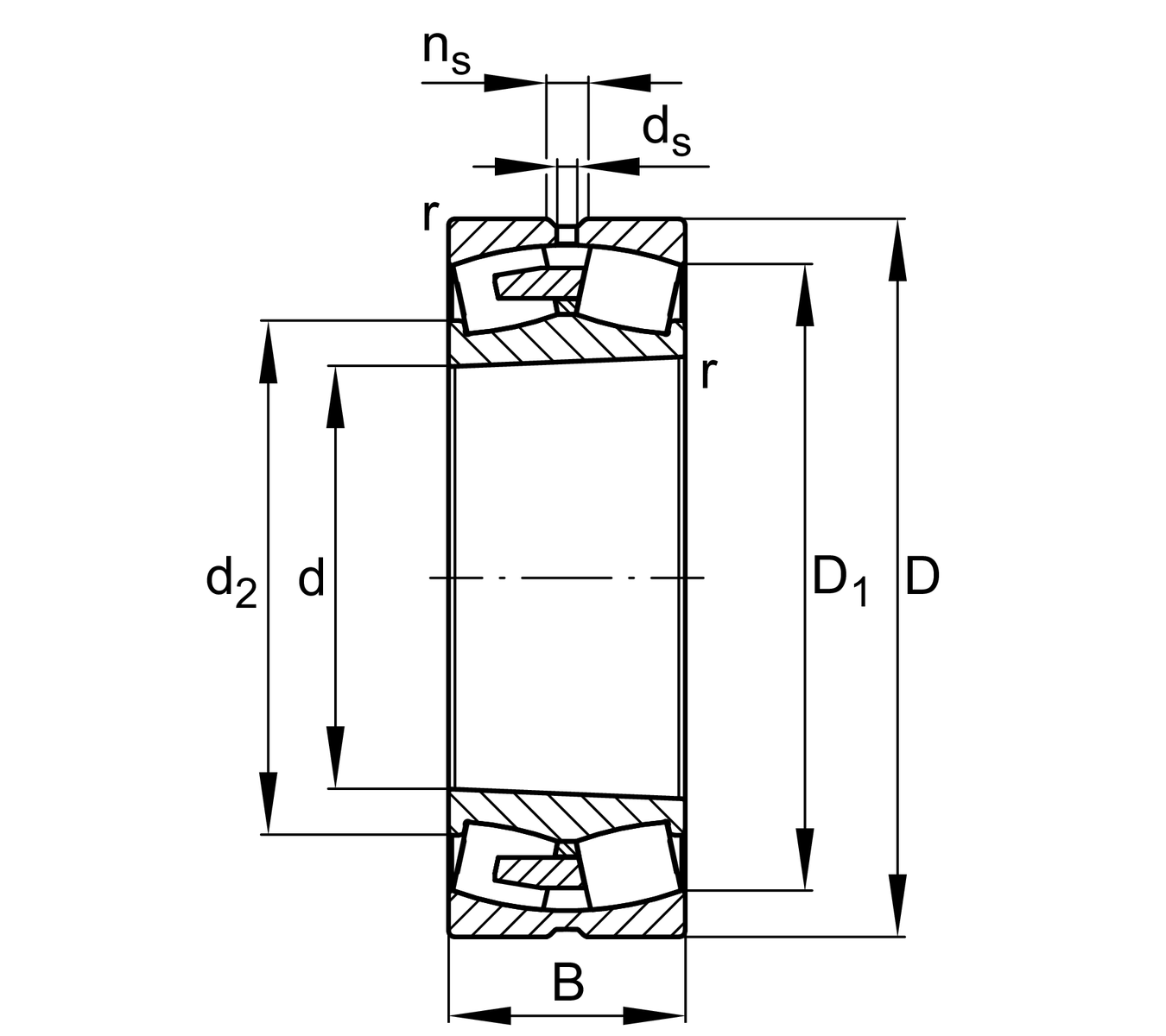
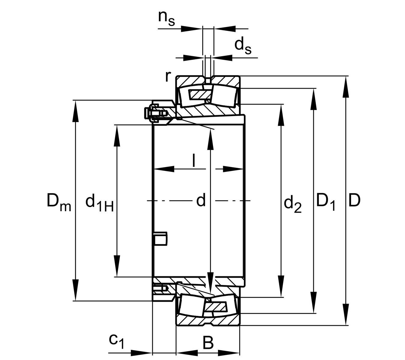
Main Dimensions & Performance Data
d
360 mm
Bore diameter
D
650 mm
Outside diameter
B
170 mm
Width
Cr
4,450,000 N
Basic dynamic load rating, radial
C0r
6,200,000 N
Basic static load rating, radial
Cur
500,000 N
Fatigue load limit, radial
nG
1,190 1/min
Limiting speed
nϑr
710 1/min
Reference speed
≈m
246.5 kg
Weight

Mounting dimensions
da min
386 mm
Minimum diameter shaft shoulder
Da max
624 mm
Maximum diameter of housing shoulder
ra max
5 mm
Maximum recess radius

Dimensions
rmin
6 mm
Minimum chamfer dimension
D1
566.4 mm
Bore diameter outer ring
ds
12.5 mm
Diameter lubrication hole
ns
23.5 mm
Width of lubricating groove

Temperature range
Tmin
-30 °C
Operating temperature min.
Tmax
200 °C
Operating temperature max.

Calculation factors
e
0.25
Limiting value of Fa/Fr for the applicability of diff. Values of factors X and Y
Y1
2.69
Dynamic axial load factor
Y2
4
Dynamic axial load factor
Y0
2.63
Static axial load factor

Your current product variant
DesignBEAwith lose center lip ring
Bore typeKTapered, taper 1:12
CageMB1Solid brass cage
Radial internal clearanceCN (Group N)Normal internal clearance
Relubrication featureStandard
Thêm vào yêu cầu báo giá