PRODUCTS

  • Home
  • Giới thiệu sản phẩm

INA
81268-M
Axial cylindrical roller bearing 81268-M
Thêm vào yêu cầu báo giá
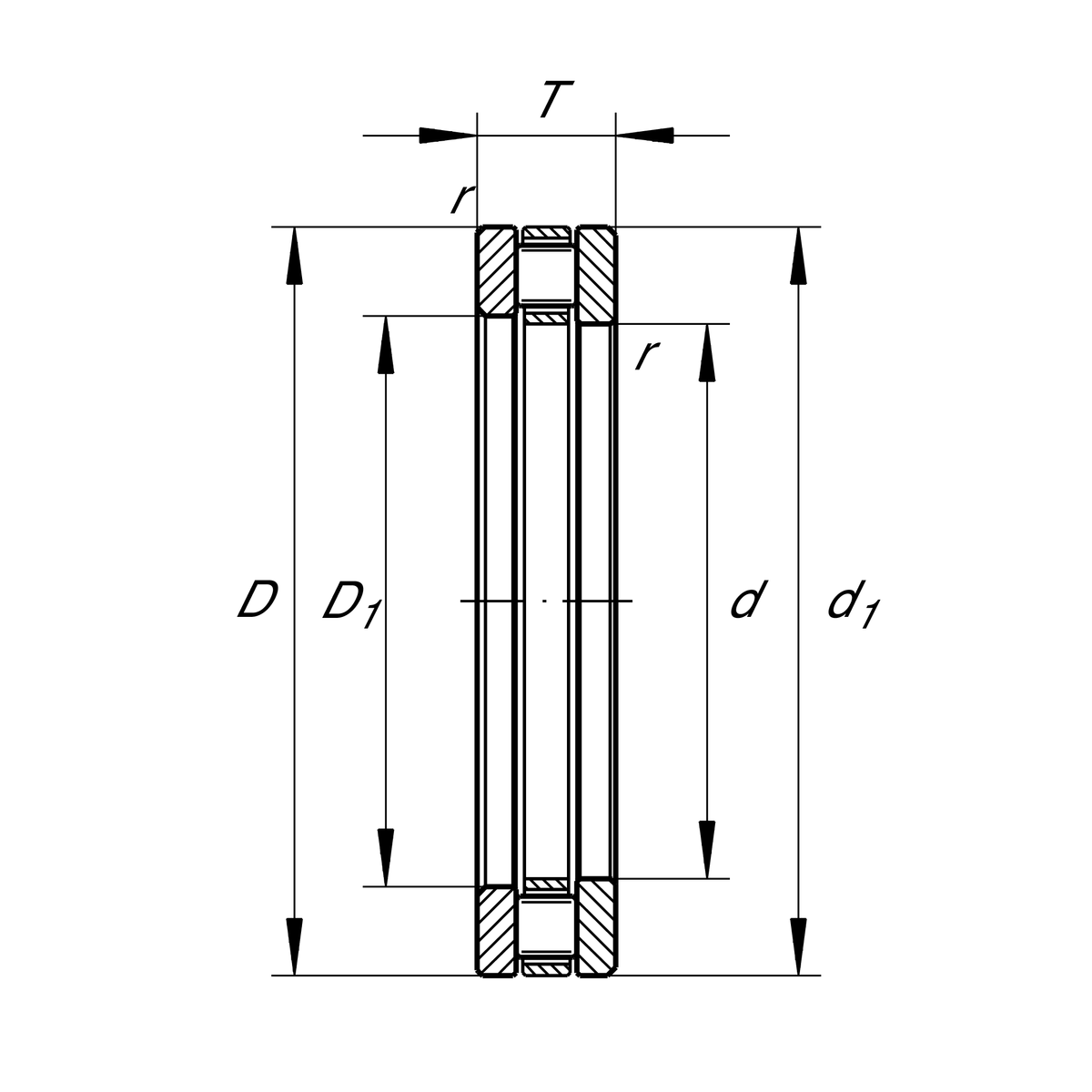
Main Dimensions & Performance Data
d
340 mm
Bore diameter
T
96 mm
Height
Ca
2,060,000 N
Basic dynamic load rating, axial
C0a
8,300,000 N
Basic static load rating, axial
Cua
690,000 N
Fatigue load limit, axial
nG
710 1/min
Limiting speed
nϑr
224 1/min
Reference speed
D
460 mm
Outside diameter
≈m
49.61 kg
Weight

Mounting dimensions
da min
449 mm
Minimum diameter shaft shoulder
Da max
367 mm
Maximum diameter of housing shoulder
ra max
3 mm
Maximum recess radius

Dimensions
D1
345 mm
Bore diameter housing washer
d1
455 mm
Rip diameter shaft washer
rmin
3 mm
Minimum chamfer dimension

Temperature range
Tmin
-30 °C
Operating temperature min.
Tmax
120 °C
Operating temperature max.

Additional information
K81268-M
Axial roller and cage assembly
GS81268
Housing Washer
WS81268
Shaft washer

Your current product variant
CageMBrass Cage
Thêm vào yêu cầu báo giá