PRODUCTS

  • Home
  • Giới thiệu sản phẩm

INA
SL185011-XL
Cylindrical roller bearing SL185011-XL
Thêm vào yêu cầu báo giá
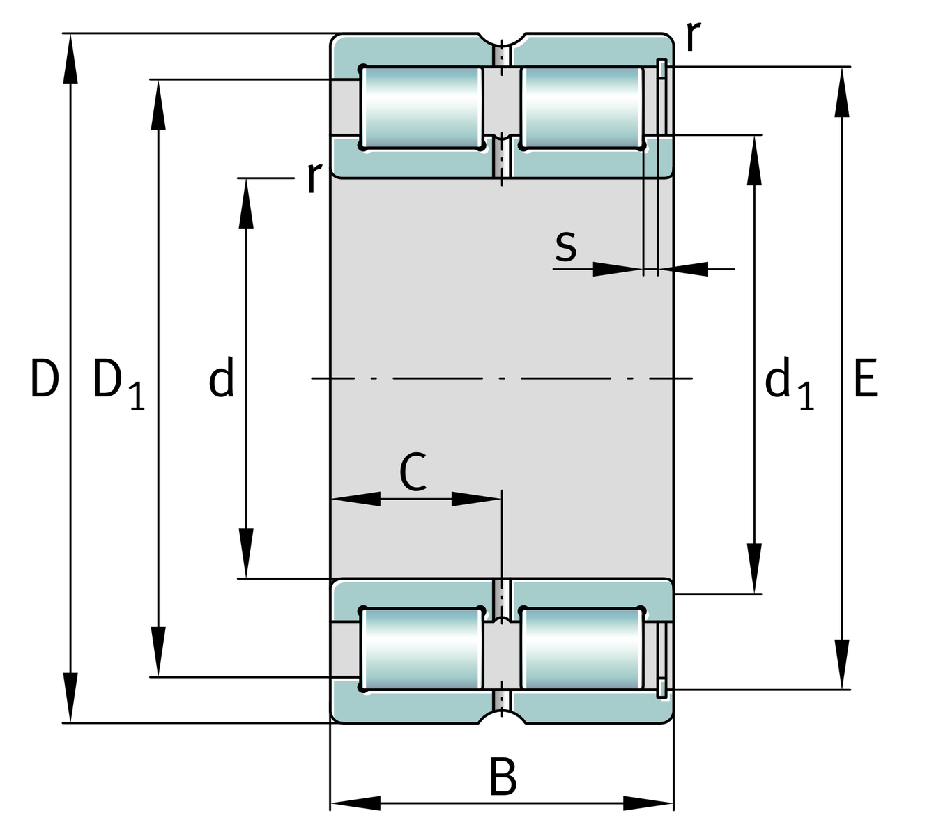
Main Dimensions & Performance Data
d
55 mm
Bore diameter
D
90 mm
Outside diameter
B
46 mm
Width
Cr
206,000 N
Basic dynamic load rating, radial
C0r
275,000 N
Basic static load rating, radial
Cur
46,000 N
Fatigue load limit, radial
nG
4,550 1/min
Limiting speed
nϑr
2,900 1/min
Reference speed
≈m
1.16 kg
Weight

Mounting dimensions
dc min
68.5 mm
Minimum shaft shoulder
da min
68.5 mm
Minimum diameter shaft shoulder
Da max
79 mm
Maximum diameter of housing shoulder
ra max
1.1 mm
Maximum recess radius
De min
78.7 mm
Minimum diameter of housing shoulder

Dimensions
rmin
1.1 mm
Minimum chamfer dimension
r1 min
2 mm
Minimum chamfer dimension
s
1.5 mm
Axial displacement
C
23 mm
Distance to lubrication hole
d1
68.5 mm
Maximum rib diameter inner ring
D1 min
78.7 mm
Minimum rib diameter outer ring
E
83.5 mm
Raceway diameter outer ring

Temperature range
Tmin
-30 °C
Operating temperature min.
Tmax
120 °C
Operating temperature max.

Your current product variant
DesignAInternal Variant A
Radial internal clearanceCN (Group N)Normal internal clearance
Tolerance classPNNormal (PN)
Number of rolling element rows2Double-row design
Thêm vào yêu cầu báo giá