PRODUCTS

  • Home
  • Giới thiệu sản phẩm

INA
3812-2RS-C3
Angular contact ball bearing 3812-2RS-C3
Thêm vào yêu cầu báo giá
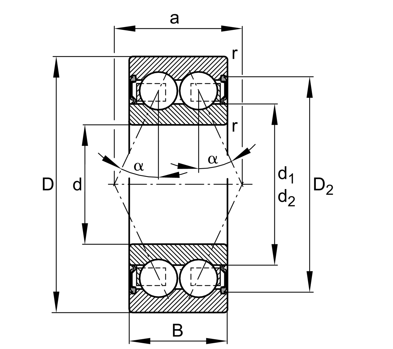
Main Dimensions & Performance Data
d
60 mm
Bore diameter
D
78 mm
Outside diameter
B
14 mm
Width
Cr
14,200 N
Basic dynamic load rating, radial
C0r
17,100 N
Basic static load rating, radial
Cur
970 N
Fatigue load limit, radial
nG
4,050 1/min
Limiting speed
≈m
0.15 kg
Weight

Mounting dimensions
da min
62 mm
Minimum diameter shaft shoulder
Da max
76 mm
Maximum diameter of housing shoulder
ra max
0.3 mm
Maximum fillet radius

Dimensions
rmin
0.3 mm
Minimum chamfer dimension
D1
72.88 mm
Shoulder diameter outer ring
D2
74.72 mm
Caliber diameter outer ring
d1
67.1 mm
Shoulder diameter inner ring
d2
65.68 mm
Caliber diamter inner ring
a
38.1 mm
Distance between the apexes of the pressure cones
α
25 °
Contact angle

Temperature range
Tmin
-20 °C
Operating temperature min.
Tmax
100 °C
Operating temperature max.

Your current product variant
Design variantBBearing without filling slot
Sealing2RSContact seal on both sides
CageTVHsolid cage made of glass-fiber reinforced polyamid PA66
Tolerance classPNNormal (PN)
Dimensional / heat stabilization SNRings dimensional stabilized up to 120°
LubricantGA13Ball bearing and insert bearing grease, standard for D>62mm
Axial internal clearanceC3Group 3 (C3), bigger than CN
Thêm vào yêu cầu báo giá