PRODUCTS

  • Home
  • Giới thiệu sản phẩm

INA
SL185076-TB
Cylindrical roller bearing SL185076-TB
Thêm vào yêu cầu báo giá
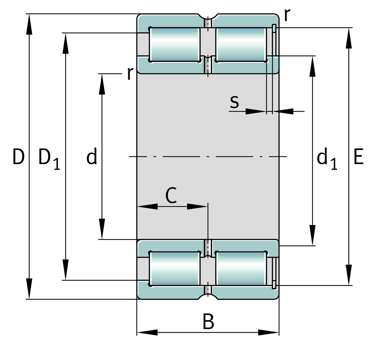
Main Dimensions & Performance Data
d
380 mm
Bore diameter
D
560 mm
Outside diameter
B
243 mm
Width
Cr
4,450,000 N
Basic dynamic load rating, radial
C0r
8,900,000 N
Basic static load rating, radial
Cur
860,000 N
Fatigue load limit, radial
nG
660 1/min
Limiting speed
nϑr
305 1/min
Reference speed
≈m
196.46 kg
Weight

Mounting dimensions
dc min
432 mm
Minimum shaft shoulder
da min
432 mm
Minimum diameter shaft shoulder
Da max
499 mm
Maximum diameter of housing shoulder
ra max
5 mm
Maximum recess radius
De min
498.8 mm
Minimum diameter of housing shoulder

Dimensions
rmin
5 mm
Minimum chamfer dimension
r1 min
5 mm
Minimum chamfer dimension
s
14.1 mm
Axial displacement
C
121.5 mm
Distance to lubrication hole
d1
432 mm
Maximum rib diameter inner ring
D1 min
498.8 mm
Minimum rib diameter outer ring
E
521.3 mm
Raceway diameter outer ring

Temperature range
Tmin
-30 °C
Operating temperature min.
Tmax
120 °C
Operating temperature max.

Your current product variant
DesignTBBearings with increased axial load capacity
Radial internal clearanceCN (Group N)Normal internal clearance
Tolerance classPNNormal (PN)
Number of rolling element rows2Double-row design
Thêm vào yêu cầu báo giá