PRODUCTS

  • Home
  • Giới thiệu sản phẩm

FAG
23068-BEA-XL-K-MB1-C2
Spherical Roller Bearing 23068-BEA-XL-K-MB1-C2
Thêm vào yêu cầu báo giá
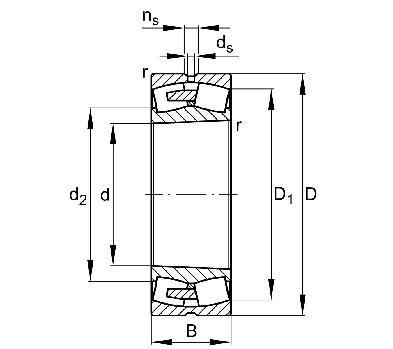
Main Dimensions & Performance Data
d
340 mm
Bore diameter
D
520 mm
Outside diameter
B
133 mm
Width
Cr
2,700,000 N
Basic dynamic load rating, radial
C0r
4,400,000 N
Basic static load rating, radial
Cur
375,000 N
Fatigue load limit, radial
nG
1,360 1/min
Limiting speed
nϑr
840 1/min
Reference speed
≈m
98.8 kg
Weight

Mounting dimensions
da min
358 mm
Minimum diameter shaft shoulder
Da max
502 mm
Maximum diameter of housing shoulder
ra max
4 mm
Maximum recess radius
da max
382 mm
Maximum diameter of shaft shoulder
db min
355 mm
Minimum cavity diameter of the sleeve
Ba min
14 mm
Minimum cavity width of the sleeve

Dimensions
rmin
5 mm
Minimum chamfer dimension
D1
467.1 mm
Bore diameter outer ring
ds
12.5 mm
Diameter lubrication hole
ns
23.5 mm
Width of lubricating groove

Temperature range
Tmin
-30 °C
Operating temperature min.
Tmax
200 °C
Operating temperature max.

Calculation factors
e
0.23
Limiting value of Fa/Fr for the applicability of diff. Values of factors X and Y
Y1
2.92
Dynamic axial load factor
Y2
4.35
Dynamic axial load factor
Y0
2.86
Static axial load factor

Additional information
H3068-HG
Adapter sleeve
AH3068G-H
Withdrawal sleeve

Your current product variant
DesignBEAwith lose center lip ring
Bore typeKTapered, taper 1:12
CageMB1Solid brass cage
Radial internal clearanceC2 (Group 2)Internal clearance smaller than CN
Relubrication featureStandard
Thêm vào yêu cầu báo giá