PRODUCTS

  • Home
  • Giới thiệu sản phẩm

FAG
23064-BEA-XL-K-MB1-C4
Spherical Roller Bearing 23064-BEA-XL-K-MB1-C4
Thêm vào yêu cầu báo giá
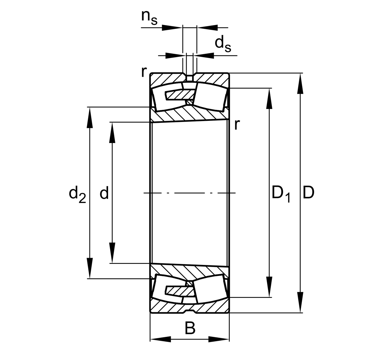
Main Dimensions & Performance Data
d
320 mm
Bore diameter
D
480 mm
Outside diameter
B
121 mm
Width
Cr
2,300,000 N
Basic dynamic load rating, radial
C0r
3,750,000 N
Basic static load rating, radial
Cur
330,000 N
Fatigue load limit, radial
nG
1,480 1/min
Limiting speed
nϑr
920 1/min
Reference speed
≈m
73.2 kg
Weight

Mounting dimensions
da min
334.6 mm
Minimum diameter shaft shoulder
Da max
465.4 mm
Maximum diameter of housing shoulder
ra max
3 mm
Maximum recess radius
da max
357 mm
Maximum diameter of shaft shoulder
db min
334 mm
Minimum cavity diameter of the sleeve
Ba min
13 mm
Minimum cavity width of the sleeve

Dimensions
rmin
4 mm
Minimum chamfer dimension
D1
433 mm
Bore diameter outer ring
ds
9.5 mm
Diameter lubrication hole
ns
17.7 mm
Width of lubricating groove

Temperature range
Tmin
-30 °C
Operating temperature min.
Tmax
200 °C
Operating temperature max.

Calculation factors
e
0.22
Limiting value of Fa/Fr for the applicability of diff. Values of factors X and Y
Y1
3.01
Dynamic axial load factor
Y2
4.48
Dynamic axial load factor
Y0
2.94
Static axial load factor

Additional information
H3064-HG
Adapter sleeve
AH3064G-H
Withdrawal sleeve

Your current product variant
DesignBEAwith lose center lip ring
Bore typeKTapered, taper 1:12
CageMB1Solid brass cage
Radial internal clearanceC4 (Group 4)Internal clearance larger than C3
Relubrication featureStandard
Thêm vào yêu cầu báo giá