PRODUCTS

  • Home
  • Giới thiệu sản phẩm

INA
SL185004-XL
Cylindrical roller bearing SL185004-XL
Thêm vào yêu cầu báo giá
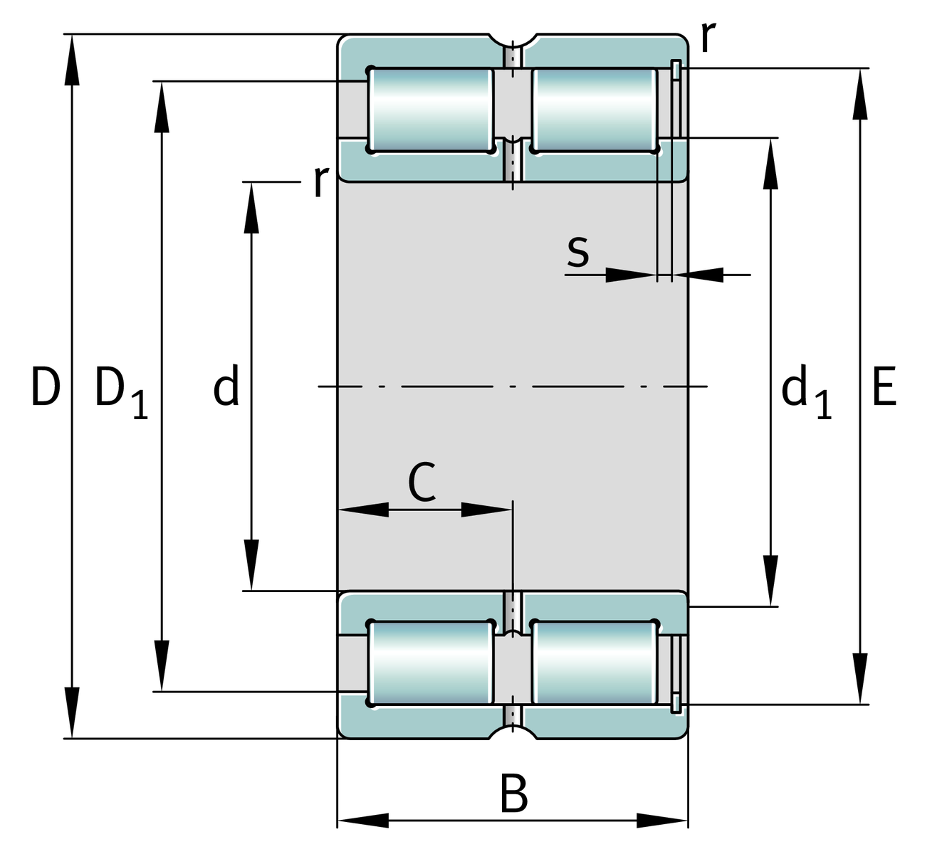
Main Dimensions & Performance Data
d
20 mm
Bore diameter
D
42 mm
Outside diameter
B
30 mm
Width
Cr
53,000 N
Basic dynamic load rating, radial
C0r
52,000 N
Basic static load rating, radial
Cur
9,100 N
Fatigue load limit, radial
nG
11,400 1/min
Limiting speed
nϑr
7,400 1/min
Reference speed
≈m
0.2 kg
Weight

Mounting dimensions
dc min
28 mm
Minimum shaft shoulder
da min
28.4 mm
Minimum diameter shaft shoulder
Da max
33.5 mm
Maximum diameter of housing shoulder
ra max
0.6 mm
Maximum recess radius
De min
33.3 mm
Minimum diameter of housing shoulder

Dimensions
rmin
0.6 mm
Minimum chamfer dimension
r1 min
1.1 mm
Minimum chamfer dimension
s
1 mm
Axial displacement
C
15 mm
Distance to lubrication hole
d1
28.4 mm
Maximum rib diameter inner ring
D1 min
33.3 mm
Minimum rib diameter outer ring
E
36.8 mm
Raceway diameter outer ring

Temperature range
Tmin
-30 °C
Operating temperature min.
Tmax
120 °C
Operating temperature max.

Your current product variant
DesignAInternal Variant A
Radial internal clearanceCN (Group N)Normal internal clearance
Tolerance classPNNormal (PN)
Number of rolling element rows2Double-row design
Thêm vào yêu cầu báo giá