PRODUCTS

  • Home
  • Giới thiệu sản phẩm

FAG
2303-TVH
Self-aligning ball bearing 2303-TVH
Thêm vào yêu cầu báo giá
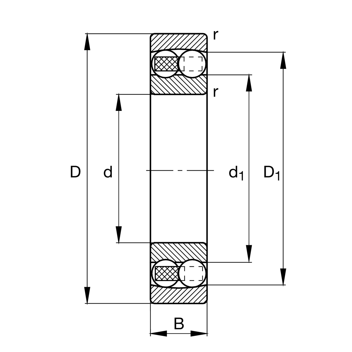
Main Dimensions & Performance Data
d
17 mm
Bore diameter
D
47 mm
Outside diameter
B
19 mm
Width
Cr
13,900 N
Basic dynamic load rating, radial
C0r
3,200 N
Basic static load rating, radial
Cur
203 N
Fatigue load limit, radial
nG
17,000 1/min
Limiting speed
nϑr
14,900 1/min
Reference speed
≈m
0.155 kg
Weight

Mounting dimensions
da min
22.6 mm
Minimum diameter shaft shoulder
Da max
41.4 mm
Maximum diameter of housing shoulder
ra max
1 mm
Maximum fillet radius

Dimensions
rmin
1 mm
Minimum chamfer dimension
D1
37.3 mm
Shoulder diameter outer ring
d1
26.15 mm
Shoulder diameter inner ring

Temperature range
Tmin
-30 °C
Operating temperature min.
Tmax
120 °C
Operating temperature max.

Calculation factors
e
0.53
Limiting value of Fa/Fr for the applicability of diff. Values of factors X and Y
Y1
1.19
Dynamic axial load factor
Y2
1.85
Dynamic axial load factor
Y0
1.25
Static axial load factor

Your current product variant
Bore typeZCylindrical
SealingWithoutNot sealed
CageTVHsolid cage made of glass-fiber reinforced polyamid PA66
Tolerance classPNNormal (PN)
LubricantWithoutBearing not greased
Radial internal clearanceCN (Group N)Normal internal clearance
Thêm vào yêu cầu báo giá