PRODUCTS

  • Home
  • Giới thiệu sản phẩm

FAG
22260-BEA-XL-MB1-C4
Spherical Roller Bearing 22260-BEA-XL-MB1-C4
Thêm vào yêu cầu báo giá
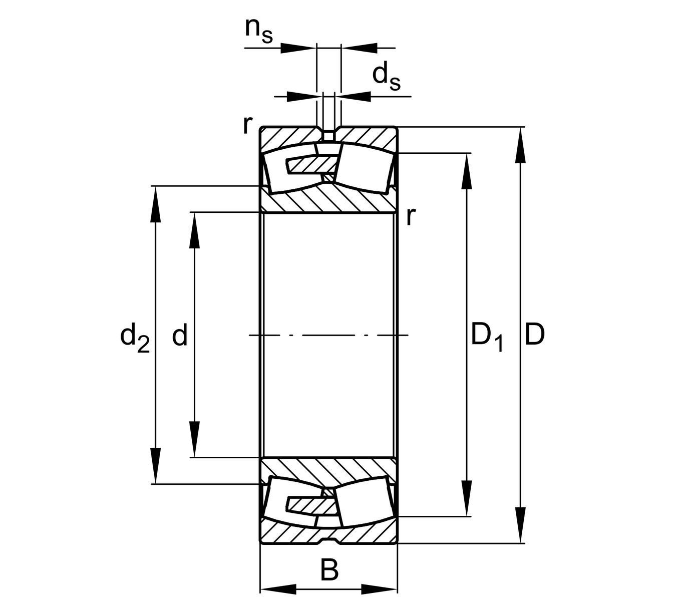
Main Dimensions & Performance Data
d
300 mm
Bore diameter
D
540 mm
Outside diameter
B
140 mm
Width
Cr
3,100,000 N
Basic dynamic load rating, radial
C0r
4,250,000 N
Basic static load rating, radial
Cur
360,000 N
Fatigue load limit, radial
nG
1,500 1/min
Limiting speed
nϑr
900 1/min
Reference speed
≈m
138.3 kg
Weight

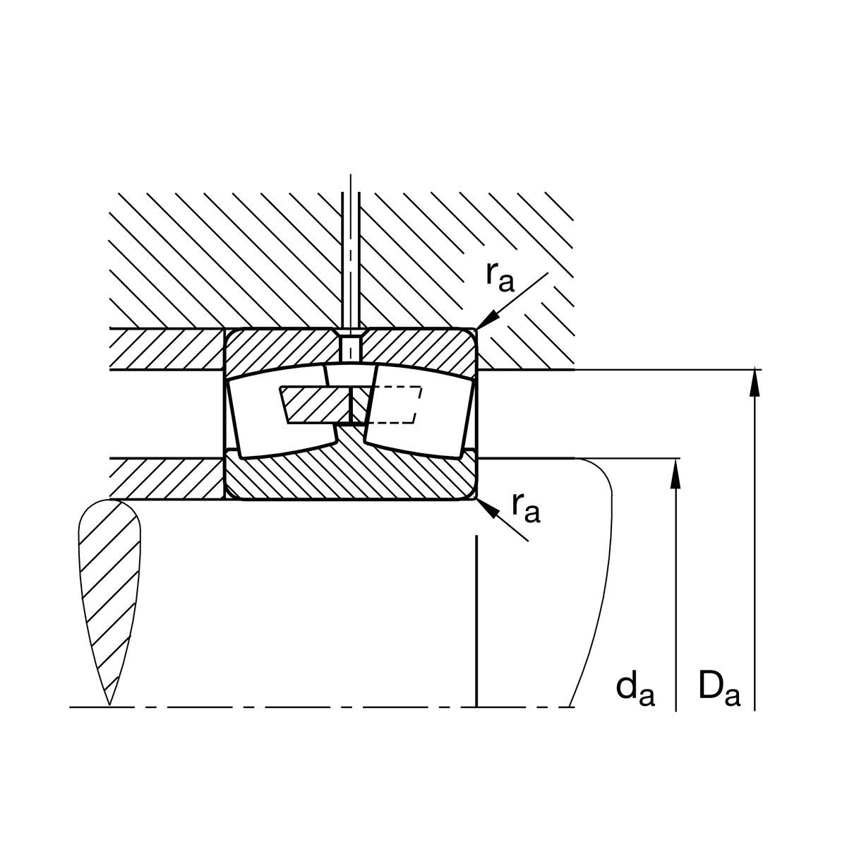
Mounting dimensions
da min
320 mm
Minimum diameter shaft shoulder
Da max
520 mm
Maximum diameter of housing shoulder
ra max
4 mm
Maximum recess radius

Dimensions
rmin
5 mm
Minimum chamfer dimension
D1
470.5 mm
Bore diameter outer ring
ds
12.5 mm
Diameter lubrication hole
ns
23.5 mm
Width of lubricating groove

Temperature range
Tmin
-30 °C
Operating temperature min.
Tmax
200 °C
Operating temperature max.

Calculation factors
e
0.25
Limiting value of Fa/Fr for the applicability of diff. Values of factors X and Y
Y1
2.71
Dynamic axial load factor
Y2
4.04
Dynamic axial load factor
Y0
2.65
Static axial load factor

Your current product variant
DesignBEAwith lose center lip ring
Bore typeZCylindrical
CageMB1Solid brass cage
Radial internal clearanceC4 (Group 4)Internal clearance larger than C3
Relubrication featureStandard
Thêm vào yêu cầu báo giá