PRODUCTS

  • Home
  • Giới thiệu sản phẩm

FAG
UKT210
Take-up housing unit UKT210
Thêm vào yêu cầu báo giá
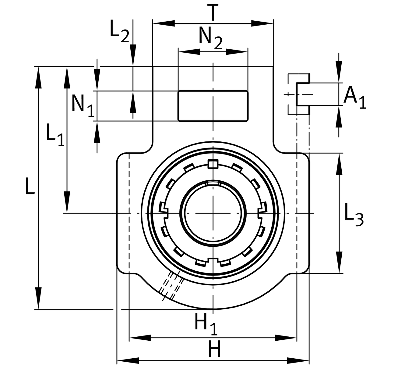
Main Dimensions & Performance Data
d
45 mm
Bore diameter
H
117 mm
Height
L
149 mm
Length total
B1
55 mm
Locking collar total width
≈m
2.7 kg
Weight

Mounting dimensions
A1
16 mm
Width guidance groove
0.2 mm
Upper width guidance groove tolerance
0 mm
Lower width guidance groove tolerance
H1
102 mm
Distance guidance grooves
0 mm
Upper distance guidance groove tolerance
-0.5 mm
Lower distance guidance groove tolerance
N
29 mm
Fixing bore

Dimensions
L1
90 mm
Distance shaft axis
L2
16 mm
Length fixed link
L3
86 mm
Length guidance groove
A
49 mm
Width housing fixing side
N1
19 mm
Width recess
N2
49 mm
Height recess
T
83 mm
Height housing fixing side
Q
M6
Connection thread for lubrication
A2
37 mm
Width housing

Additional information
T210
Housing
UK210
Bearing designation

Temperature range
Tmin
-20 °C
Operating temperature min.
Tmax
100 °C
Operating temperature max.

Your current product variant
MaterialGGGrey cast iron
Thêm vào yêu cầu báo giá