PRODUCTS
- Home
- Giới thiệu sản phẩm
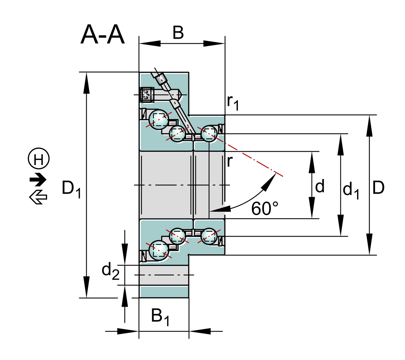
| d | 40 mm | Bore diameter |
0 mm | Bore diameter upper tolerance | |
-0.01 mm | Bore diameter lower tolerance | |
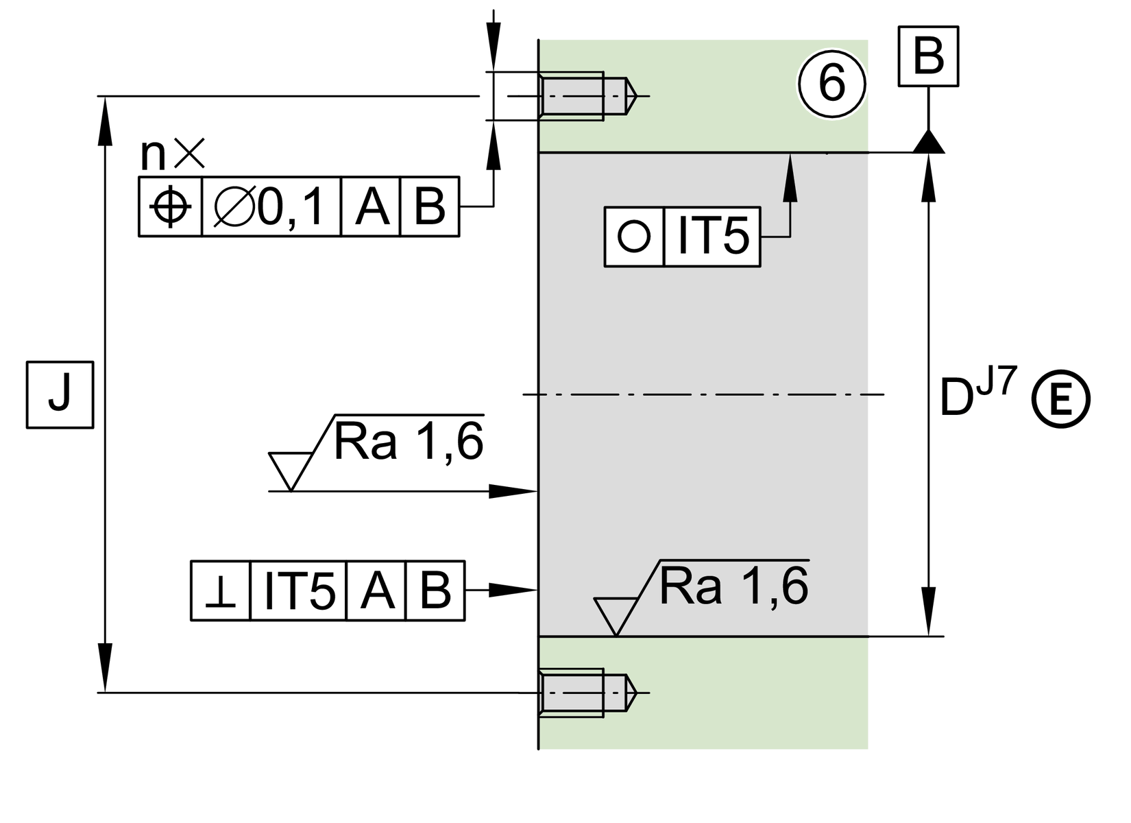
| D | 72 mm | Outside diameter |
0 mm | Outside diameter upper tolerance | |
-0.013 mm | Outside diameter lower tolerance | |
| B | 42 mm | Width |
0 mm | Width upper tolerance | |
-0.25 mm | Width lower tolerance | |
| Ca | 73,000 N | Basic dynamic load rating, axial HL |
| Ca | 43,000 N | Basic dynamic load rating, axial |
| C0a | 227,000 N | Basic static load rating, axial HL |
| C0a | 101,000 N | Basic static load rating, axial |
| Cua | 5,600 N | Fatigue load limit, axial HL |
| Cua | 4,450 N | Fatigue load limit, axial |
| nG Grease | 3,200 1/min | Limiting speed for grease lubrication |
| nϑ | 1,500 1/min | Thermally permissible speed |
| ≈m | 1.483 kg | Weight |
| da min | 50 mm | Minimum diameter shaft shoulder |
| da max | 67 mm | Maximum diameter of shaft shoulder |
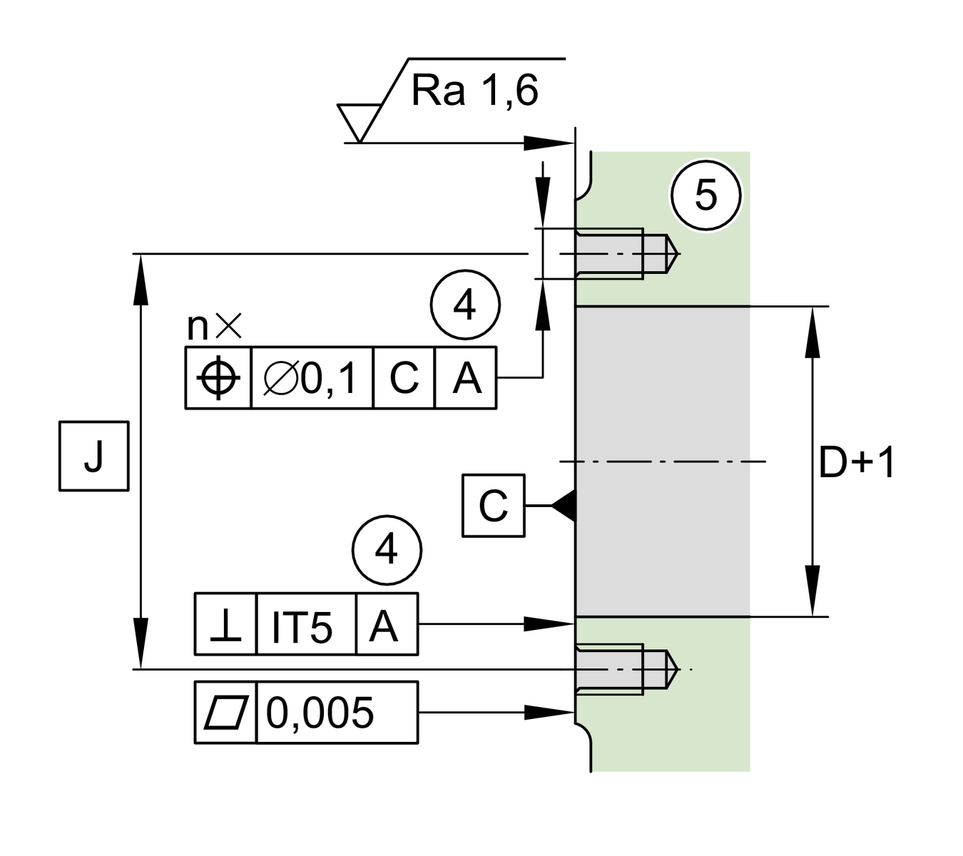
M8 | Fixing scresw DIN EN ISO 4762 10.9 (not included) | |
| n | 6 | Number of screws |
| d1 | 58 mm | Rib diameter inner ring |
| D1 | 115 mm | Flange diameter |
| rmin | 0.3 mm | Minimum chamfer dimension |
| r1 min | 0.6 mm | Minimum chamfer dimension 1 |
| B1 | 23 mm | Thickness of flange |
| d2 | 8.8 mm | Fixing boring diameter |
| J | 94 mm | Pitch circle diameter (holes) |
| A | 90 mm | Flange width |
| Tmin | -30 °C | Operating temperature min. |
| Tmax | 120 °C | Operating temperature max. |
| MRL | 1 Nm | Bearing friction torque |
| caL | 1,100 N/µm | Rigidity axial |
| caL | 1,700 N/µm | Rigidity axial (HL) |
| ckL | 1,000 Nm/mrad | Tilting stiffness |
5 µm | Axial runout | |
| Mm | 4.23 kg*cm2 | Mass moment of inertia |
ZMA40/62 | recommended INA precision locknut for radial locking 1,2 | |
| (3) r | ZM45 | recommended INA precision locknut for radial locking 3 |
| (1), (2) r | AM40 | recommended INA precision locknut for axial locking 1,2 |
| MA | 55 Nm | Tightening torque nut |
| (1), (2) a | 13,420 N | required locknut force axial 1 |
| Sealing | 2RS | Contact lip seals on both sides |