PRODUCTS

  • Home
  • Giới thiệu sản phẩm

INA
CSCU080-2RS
Deep groove ball bearing CSCU080-2RS
Thêm vào yêu cầu báo giá
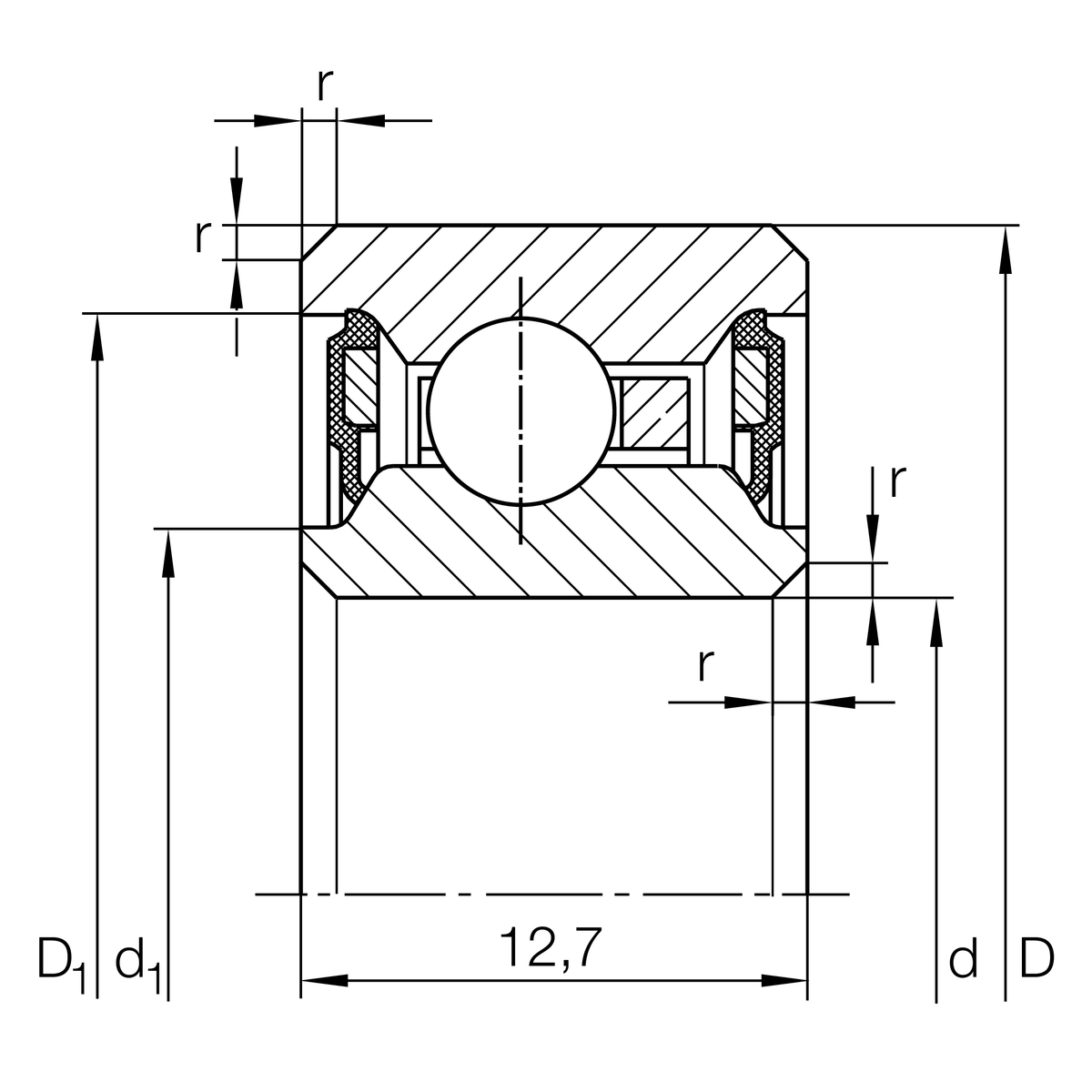
Main Dimensions & Performance Data
d
203.2 mm
Bore diameter
D
222.25 mm
Outside diameter
B
12.7 mm
Width
Cr
10,000 N
Basic dynamic load rating, radial
C0r
16,200 N
Basic static load rating, radial
nG
1,290 1/min
Limiting speed
≈m
480 g
Weight

Dimensions
rmin
0.38 mm
Minimum chamfer dimension
d1
207 mm
Caliber diameter inner ring
D1
216.8 mm
Caliber diameter outer ring

Temperature range
Tmin
-25 °C
Operating temperature min.
Tmax
120 °C
Operating temperature max.

Your current product variant
Logistical codeHLE-
Sealing2RSContact seal on both sides
CageYHbrass sheet metal
Tolerance classPL1Class PL1, Normal
Radial internal clearancePL1Class PL1, Normal
LubricantLubricating grease
Thêm vào yêu cầu báo giá