PRODUCTS

  • Home
  • Giới thiệu sản phẩm

FAG
23048-BE-XL-K-C3
Spherical Roller Bearing 23048-BE-XL-K-C3
Thêm vào yêu cầu báo giá
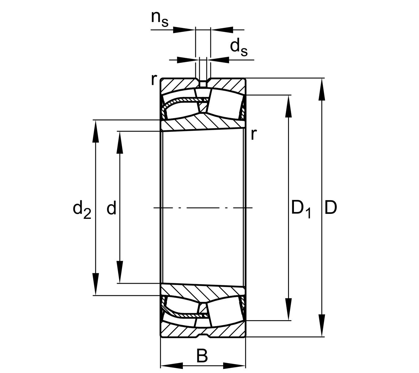
Main Dimensions & Performance Data
d
240 mm
Bore diameter
D
360 mm
Outside diameter
B
92 mm
Width
Cr
1,350,000 N
Basic dynamic load rating, radial
C0r
2,120,000 N
Basic static load rating, radial
Cur
200,000 N
Fatigue load limit, radial
nG
2,080 1/min
Limiting speed
nϑr
1,310 1/min
Reference speed
≈m
31.065 kg
Weight

Mounting dimensions
da min
252.4 mm
Minimum diameter shaft shoulder
da max
268 mm
Maximum diameter of shaft shoulder
Da max
347.6 mm
Maximum diameter of housing shoulder
ra max
2.5 mm
Maximum recess radius
db min
251 mm
Minimum cavity diameter of the sleeve
Ba min
11 mm
Minimum cavity width of the sleeve

Dimensions
rmin
3 mm
Minimum chamfer dimension
D1
324.6 mm
Bore diameter outer ring
d2
269.5 mm
Raceway diameter of the inner ring
ds
8 mm
Diameter lubrication hole
ns
15 mm
Width of lubricating groove

Temperature range
Tmin
-30 °C
Operating temperature min.
Tmax
200 °C
Operating temperature max.

Calculation factors
e
0.23
Limiting value of Fa/Fr for the applicability of diff. Values of factors X and Y
Y1
2.98
Dynamic axial load factor
Y2
4.44
Dynamic axial load factor
Y0
2.92
Static axial load factor

Additional information
H3048
Adapter sleeve
AH3048
Withdrawal sleeve

Your current product variant
DesignBEwith lose center lip ring
Bore typeKTapered, taper 1:12
CageJPBSheet metal cage
Radial internal clearanceC3 (Group 3)Internal clearance larger than CN
Relubrication featureStandard
Thêm vào yêu cầu báo giá