PRODUCTS
- Home
- Giới thiệu sản phẩm
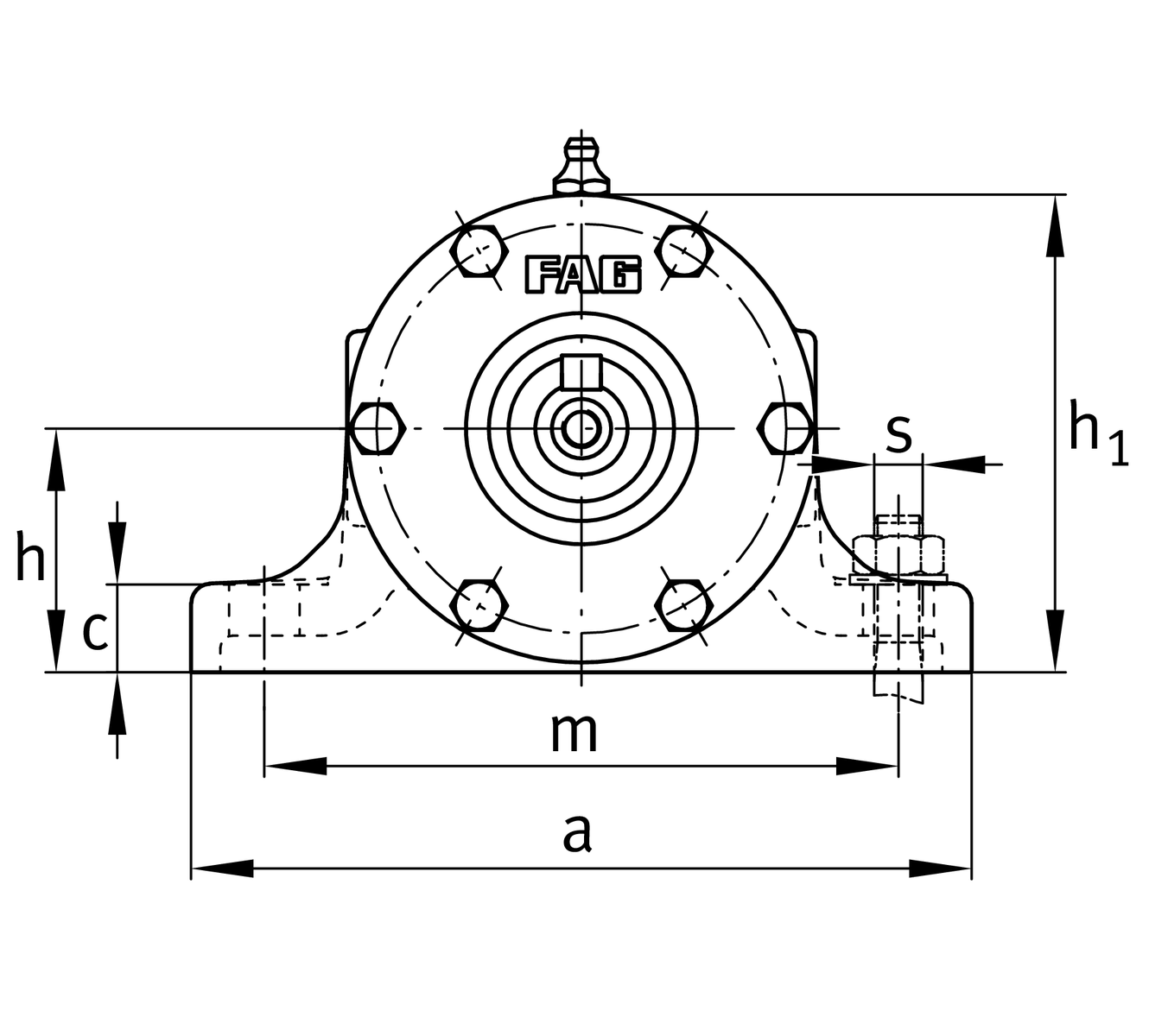
| d | 55 mm | Shaft diameter |
| a | 260 mm | Length base |
| h1 | 158 mm | Height |
| g2 | 407 mm | Total width with cover |
| ≈m | 44.8 kg | Weight |
| B | 29 mm | width |
| b | 60 mm | width base |
| c | 25 mm | heigth base |
| D | 120 mm | outside diameter bearing |
| d2 | 65 mm | shaft diameter shoulder |
| d4 | 48 mm | Shaft dieameter outside |
| e | 309 mm | locking collar width |
| h | 80 mm | center heigth |
| m | 210 mm | distance fixing bore |
| n | 300 mm | bore distance width |
| s | M16 | size of fixing screws |
| w1 | 651 mm | length shaft total |
| w2 | 110 mm | distance shaft end |
| w3 | 112 mm | length shaft tap |
| w4 | 181 mm | lenght shaft end |
| w5 | 260 mm | length shaft shoulder |
| w7 | 210 mm | Lenght shaft end |
NU311-E-TVP2-C3 | bearing designation | |
NU311-E-TVP2-C3 + 6311-C3 | reference bearing designation | |
VR311-E | housing |