PRODUCTS
- Home
- Giới thiệu sản phẩm
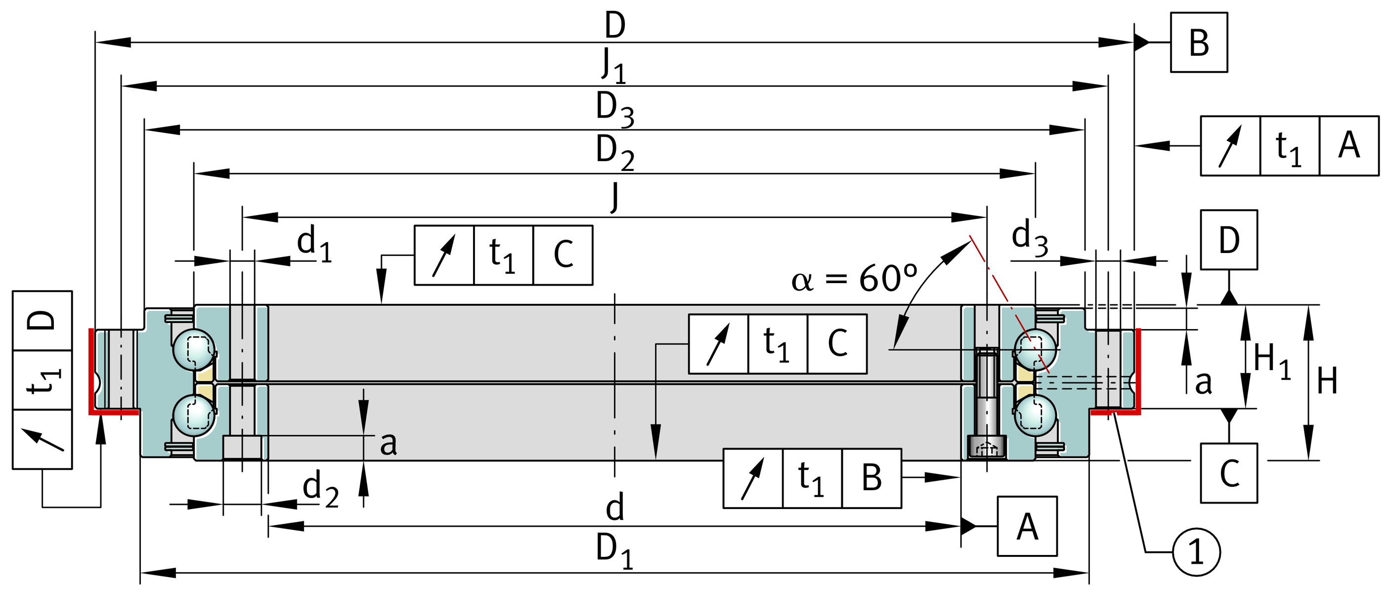
| d | 180 mm | Bore diameter |
0 mm | Bore diameter upper tolerance | |
-0.013 mm | Bore diameter lower tolerance | |
| D | 280 mm | Flange diameter |
0 mm | Flange diameter upper tolerance | |
-0.018 mm | Flange diameter lower tolerance | |
| H | 43 mm | Height |
| nG | 3,500 1/min | Limiting speed |
| Ca | 85,000 N | Basic dynamic load rating, axial |
| C0a | 440,000 N | Basic static load rating, axial |
| Cua | 13,500 N | Fatigue load limit, axial |
| ≈m | 7.7 kg | Weight |
| J | 194 mm | Pitch circle diameter fixing holes in inner ring |
| J1 | 260 mm | Pitch circle diameter fixing holes in outer ring |
| d1 | 7 mm | Fixing holes diameter inner ring |
| d2 | 11 mm | Counterbore diameter of fixing holes |
| a | 6.2 mm | Counterbore depth of fixing holes |
46 | Quantity of fixing holes inner ring | |
| d3 | 7 mm | Fixing holes diameter outer ring |
45 | Quantity of fixing holes outer ring | |
| n | 48 | Pitch quantity |
| t | 7.5 ° | Pitch separation angle |
| G | M8 | Threaded extraction hole |
3 | Quantity of threaded extraction hole | |
| MA | 14 Nm | Screw tightening torque |
2 | Quantity of retaining screws |
| H1 | 29 mm | Height contact face outer ring |
0.175 mm | Height contact face outerring H1 upper tolerance | |
-0.175 mm | Height contact face outerring H1 lower tolerance | |
| D1 | 244 mm | Outside diameter D1 |
| D2 | 219 mm | Rib diameter inner ring |
| D3 | 246 mm | Outside diameter D3 |
| t1 | 4 µm | Axial and radial runout, measurement standard; Measured on mounted bearing, with ideal adjacent construction. |
| Tmin | -30 °C | Operating temperature min. |
| Tmax | 120 °C | Operating temperature max. |
| caL | 1,900 N/µm | Axial rigidity of bearing position |
| crL | 500 N/µm | Radial rigidity of bearing position |
| ckL | 10,700 Nm/mrad | Tilting rigidity of bearing position |
| caL | 2,800 N/µm | Axial rigidity of rolling element set |
| crL | 500 N/µm | Radial rigidity of rolling element set |
| ckL | 16,000 Nm/mrad | Tilting rigidity of rolling element set |
| Generation | B |