PRODUCTS

  • Home
  • Giới thiệu sản phẩm

INA
ZARF35110-L-TV
Needle roller/axial cylindrical roller bearing ZARF35110-L-TV
Thêm vào yêu cầu báo giá
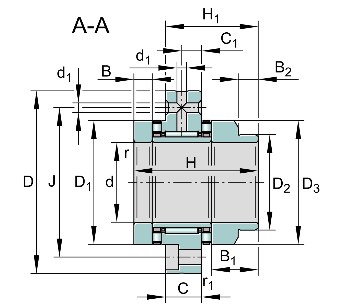
Main Dimensions & Performance Data
d
35 mm
Bore diameter
D
110 mm
Outside diameter
H
82 mm
Hight
Ca
105,000 N
Basic dynamic load rating, axial
C0a
265,000 N
Basic static load rating, axial
Cr
27,500 N
Basic dynamic load rating, radial
C0r
53,000 N
Basic static load rating, radial
Cua
22,900 N
Fatigue load limit, axial
Cur
7,600 N
Fatigue load limit, radial
nG Oil
4,000 1/min
Limiting speed for oil lubrication
nG Grease
1,250 1/min
Limiting speed for grease lubrication
MRL
2.3 Nm
Bearing friction torque
≈m
2.181 kg
Weight

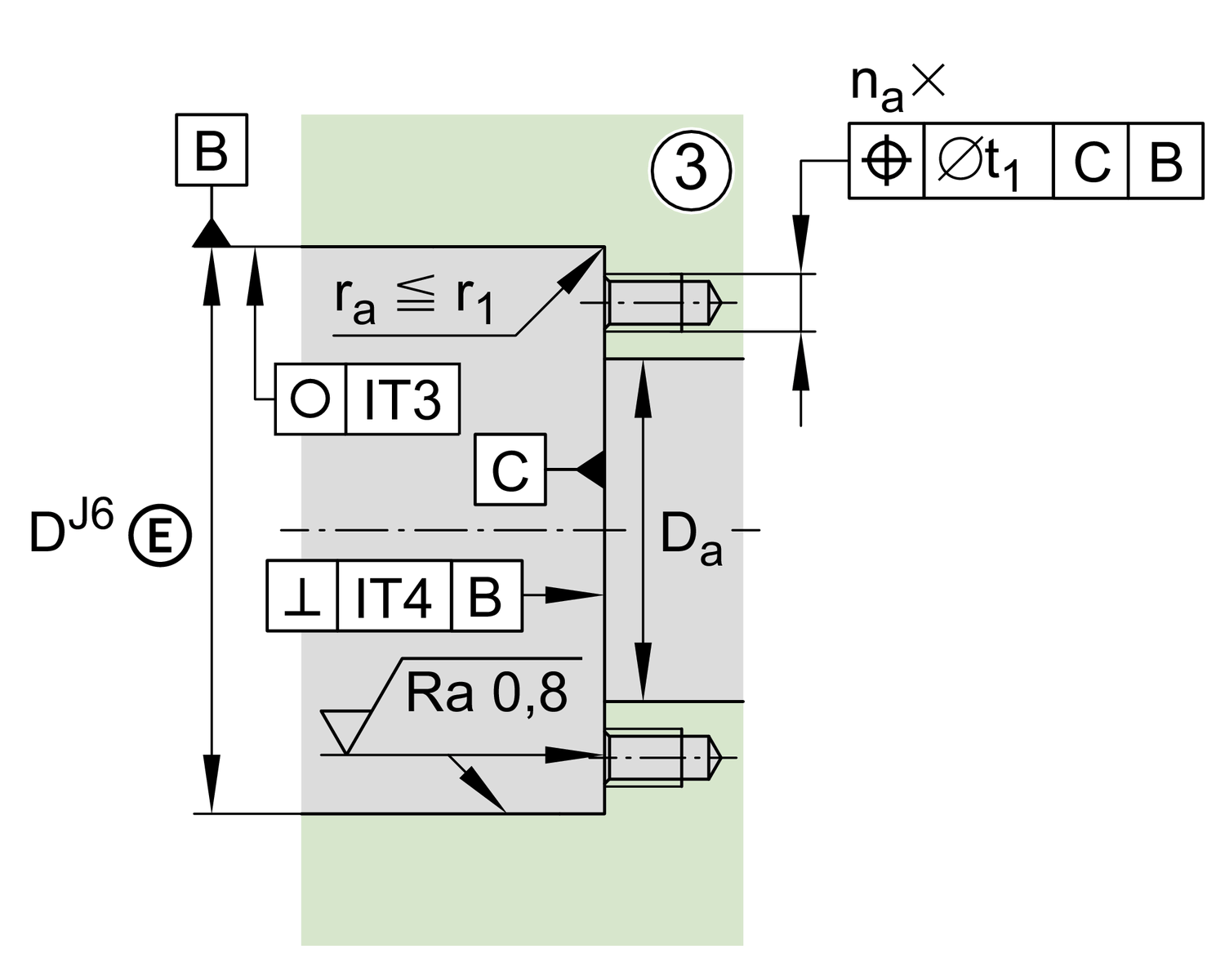
Mounting dimensions
Da max
74 mm
Maximum diameter of housing shoulder
da min
58 mm
Minimum diameter shaft shoulder
t1
0.2 mm
Position bore in the housing

Dimensions
H1
57 mm
Height outer ring over wave washer
C
18 mm
Width, outer ring
C1
10 mm
Distance to lubrication hole
D1
73 mm
Rip diameter shaft washer
D2
60 mm
Heeldiameter wave washer long
D3
73 mm
Outside diameter wave washer long
B
14 mm
Width, wave washer
B1
30 mm
Width wave washer long
B2
13 mm
Width heel wave washer long
rmin
0.3 mm
Minimum chamfer dimension
r1 min
0.6 mm
Minimum chamfer dimension
d1
3.2 mm
Diameter lubrication hole
J
88 mm
Pitch circle diameter (holes)
n
12
Number of screwing holes
n x t
30 °
Split

Temperature range
Tmin
-30 °C
Operating temperature min.
Tmax
20 °C
Operating temperature max.

Additional information
caL
3,500 N/µm
Rigidity axial
ckL
1,300 Nm/mrad
Tilting stiffness
Mm
10.4 kg*cm2
Mass moment of inertia
1 µm
Axial runout
radial
ZMA35/70
Recommended INA precision locknut for radial locking (not included)
axial
AM35
Locknut 2
MA
100 Nm
Tightening torque nut
27,480 N
Preload force axial
60X75X8
Sealing ring
M8
Screw size
na
12
Number of screws
na x ta
30 °
Division (screwing holes)

Your current product variant
CageTVPlastic Cage made from PA66
Locating Feature , bearing outer ringLStepped shaft locating washer extended on one side
Thêm vào yêu cầu báo giá