PRODUCTS
- Home
- Giới thiệu sản phẩm
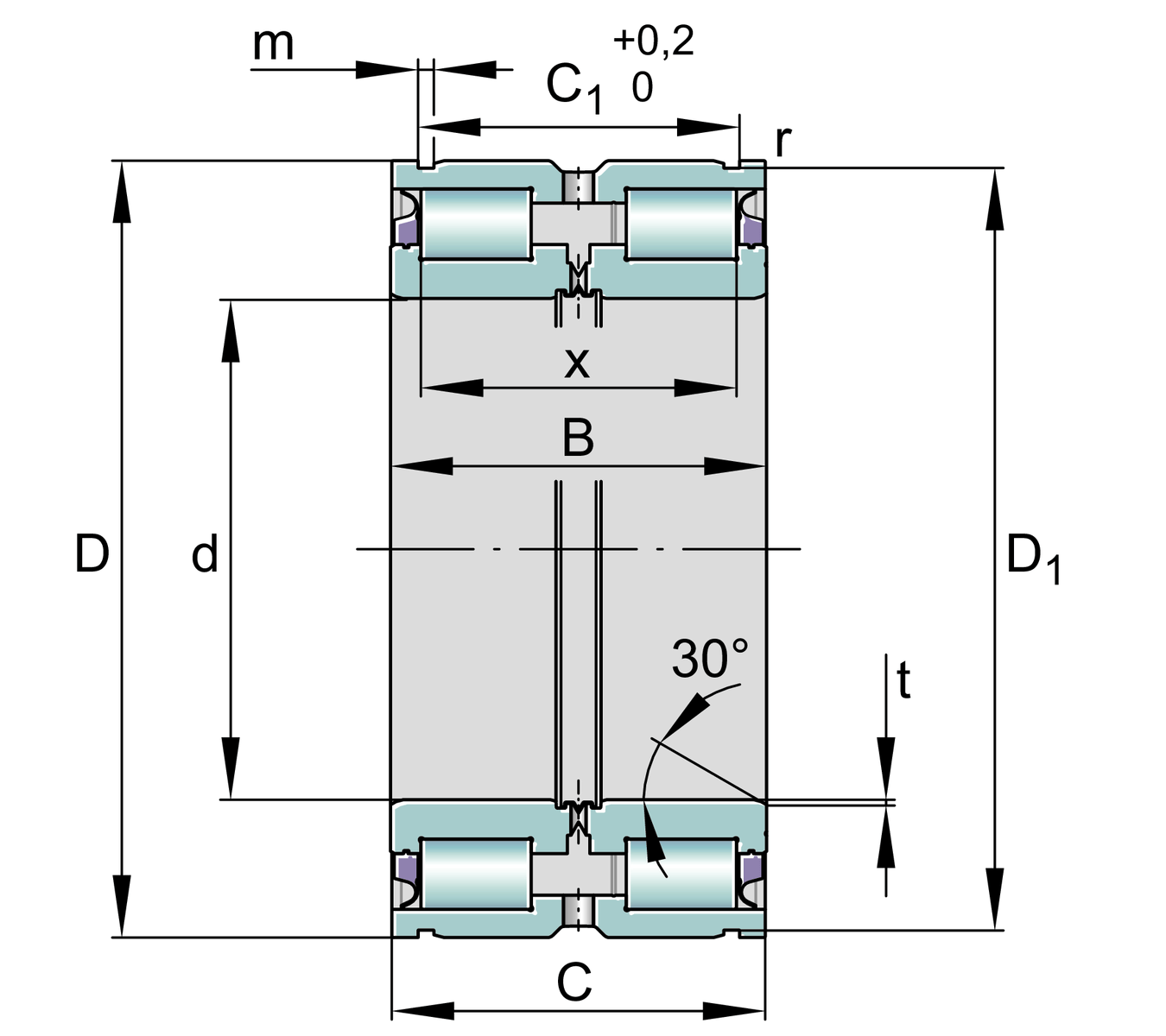
| d | 200 mm | Bore diameter |
| D | 310 mm | Outside diameter |
| B | 150 mm | Width |
| Cr | 1,350,000 N | Basic dynamic load rating, radial |
| C0r | 2,600,000 N | Basic static load rating, radial |
| Cur | 315,000 N | Fatigue load limit, radial |
| nG Grease | 610 1/min | Limiting speed for grease lubrication |
| ≈m | 39.4 kg | Weight |
| Ca1 | 120 mm | Mounting dim for snap ring WRE (not included in delivery) Tolerance: 0/-0,2 |
| Ca2 | 116 mm | Mounting dim for retaining ring to DIN 471 (not incl. In delivery) Tol: 0/-0,2 |
| d1 | 243.5 mm | Rib diameter inner ring |
| d2 | 267 mm | Sealing diameter (rib) |
| d3 | 336 mm | Outside diameter of snap ring WRE |
| d1 min | 243.5 mm | Minimum diameter shaft shoulder |
30 ° | Chamfer angle | |
-0.2 mm | Lower distance snap ring tolerance | |
-0.2 mm | Lower distance retaining ring tolerance | |
0 mm | Upper distance snap ring tolerance | |
0 mm | Upper distance retaining ring tolerance | |
0 mm | Lower distance ring groove tolerance | |
0.2 mm | Upper distance ring groove tolerance |
| C | 149 mm | Width, outer ring |
| C1 | 128.2 mm | Distance ring grooves |
| D1 | 304 mm | Diameter of groove |
| m | 6.3 mm | Width of groove |
| rmin | 0.6 mm | Minimum chamfer dimension |
| t | 2 mm | Chamfer width |
| X | 126 mm | Distance between rolling elements |
| Tmin | -30 °C | Operating temperature min. |
| Tmax | 80 °C | Operating temperature max. |
| Design | D | New outer Contour |
| Sealing | PP | Contact Seal on both sides |
| Radial internal clearance | C5 (Group 5) | Internal clearance larger than C4 |
| Tolerance class | PN | Normal (PN) |
| Number of rolling element rows | 2 | Double-row design |