PRODUCTS

  • Home
  • Giới thiệu sản phẩm

FAG
16036-C3
Deep groove ball bearing 16036-C3
Thêm vào yêu cầu báo giá
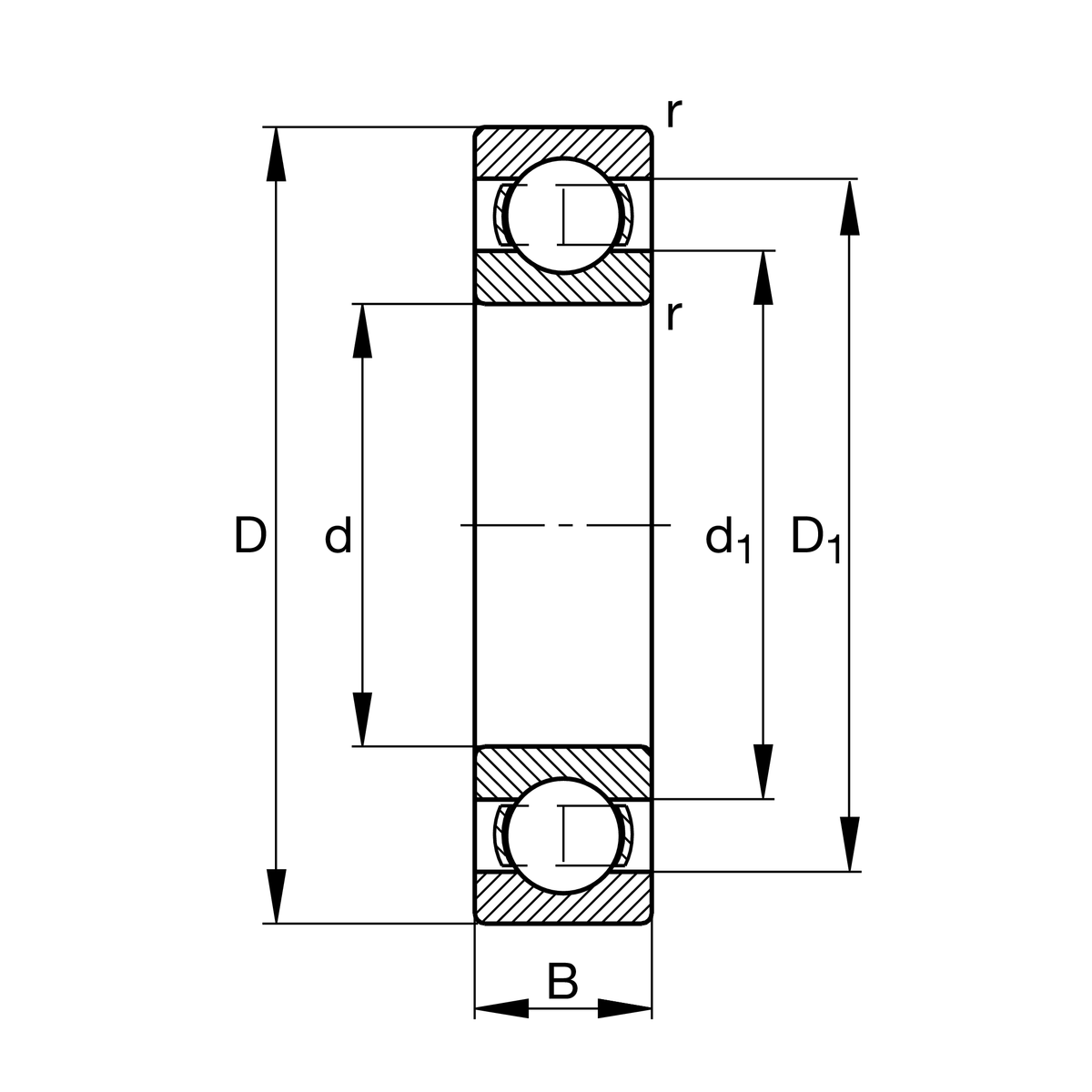
Main Dimensions & Performance Data
d
180 mm
Bore diameter
D
280 mm
Outside diameter
B
31 mm
Width
Cr
140,000 N
Basic dynamic load rating, radial
C0r
146,000 N
Basic static load rating, radial
Cur
5,300 N
Fatigue load limit, radial
nG
3,350 1/min
Limiting speed
nϑr
2,950 1/min
Reference speed
≈m
6.92 kg
Weight

Mounting dimensions
da min
188.8 mm
Minimum diameter shaft shoulder
Da max
271.2 mm
Maximum diameter of housing shoulder
ra max
2 mm
Maximum fillet radius

Dimensions
rmin
2 mm
Minimum chamfer dimension
D1
238.95 mm
Shoulder diameter outer ring
d1
211.88 mm
Shoulder diameter inner ring

Temperature range
Tmin
-30 °C
Operating temperature min.
Tmax
200 °C
Operating temperature max.

Calculation factors
f0
16.4
Calculation factor

Your current product variant
SealingWithoutNot sealed
CageJNsteel sheet metal
Tolerance classPNNormal (PN)
Dimensional / heat stabilization S1Rings dimensional stabilized up to 200°
LubricantWithoutBearing not greased
Bore typeZCylindrical
Radial internal clearanceC3 (Group 3)Internal clearance larger than CN
Thêm vào yêu cầu báo giá