PRODUCTS

  • Home
  • Giới thiệu sản phẩm

INA
CSCD070
Deep groove ball bearing CSCD070
Thêm vào yêu cầu báo giá
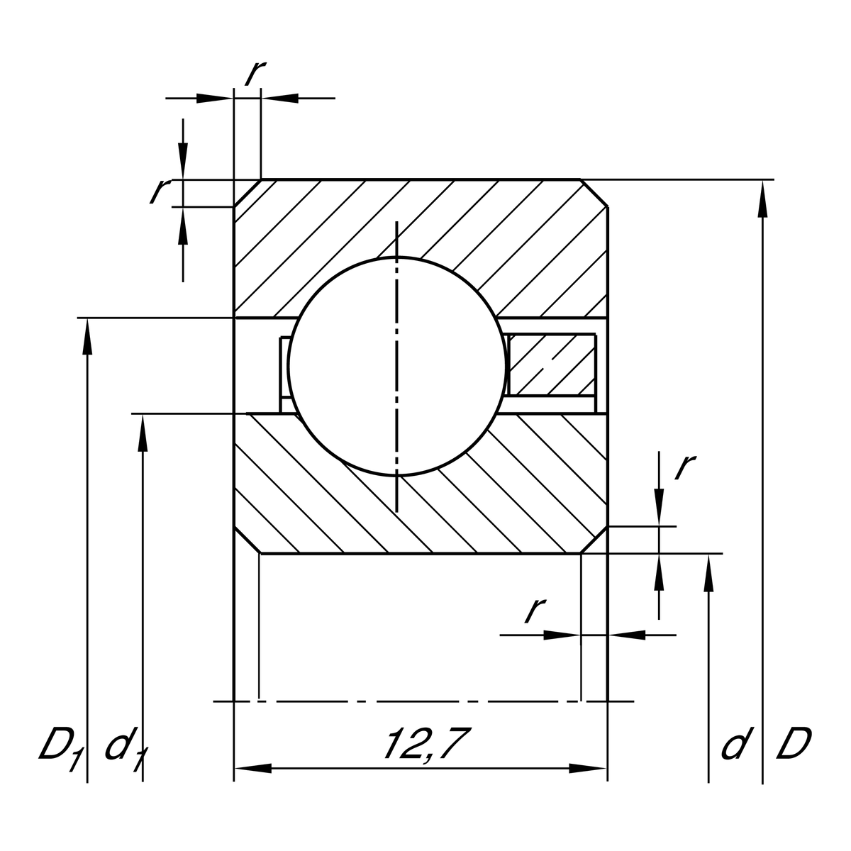
Main Dimensions & Performance Data
d
177.8 mm
Bore diameter
D
203.2 mm
Outside diameter
B
12.7 mm
Width
Cr
15,000 N
Basic dynamic load rating, radial
C0r
20,400 N
Basic static load rating, radial
nG
2,900 1/min
Limiting speed
≈m
0.59 kg
Weight

Dimensions
rmin
1.5 mm
Minimum chamfer dimension
d1
187.2 mm
Shoulder diameter inner ring
D1
193.8 mm
Shoulder diameter outer ring

Temperature range
Tmin
-30 °C
Operating temperature min.
Tmax
120 °C
Operating temperature max.

Your current product variant
Logistical codeHLE-
SealingWithoutNot sealed
CageYHbrass sheet metal
Tolerance classPL1Class PL1, Normal
Radial internal clearancePL1Class PL1, Normal
LubricantWithoutBearing not greased
Thêm vào yêu cầu báo giá