PRODUCTS

  • Home
  • Giới thiệu sản phẩm

INA
XA120235-N
Crossed roller, bearingswith external gear teeth, sealed XA120235-N
Thêm vào yêu cầu báo giá
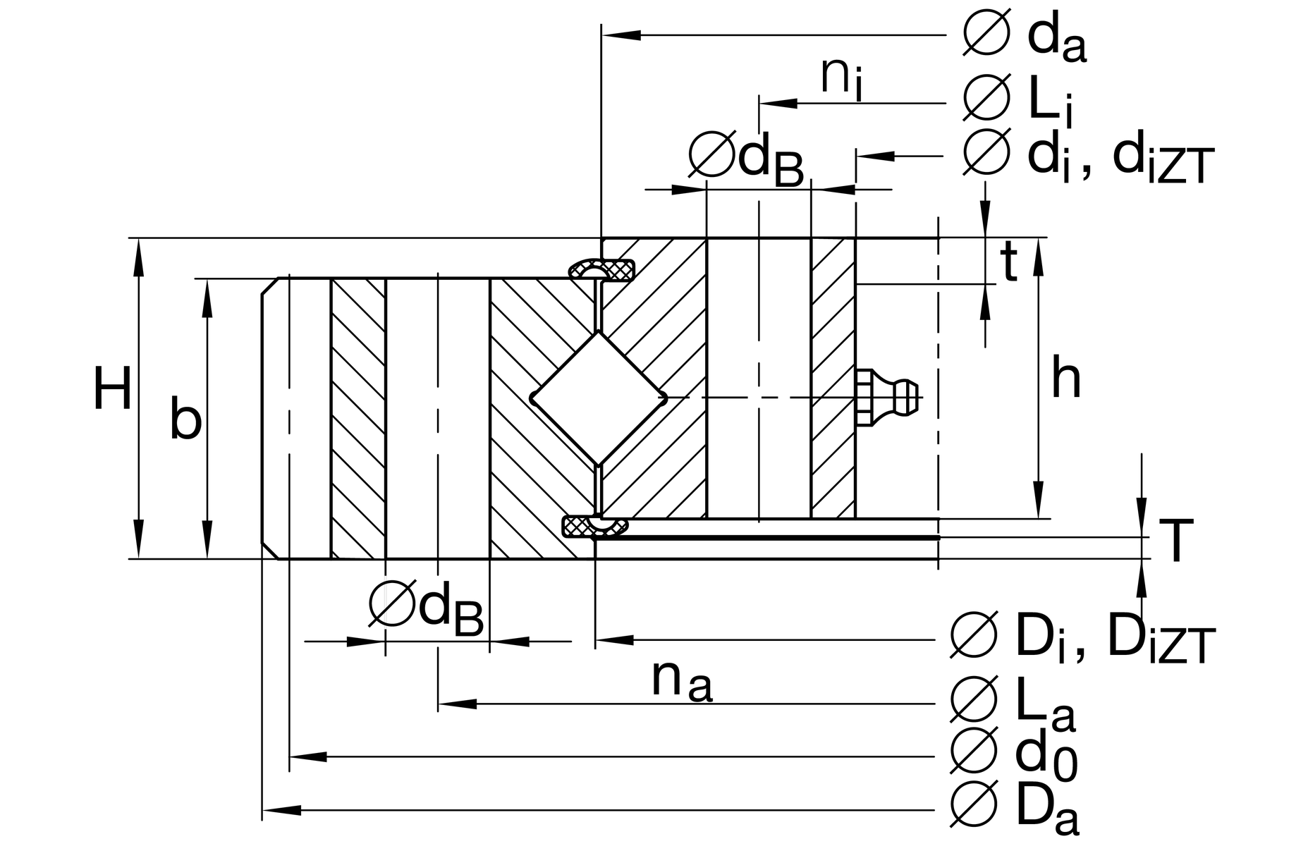
Main Dimensions & Performance Data
d1
171 mm
Bore Diameter
Da
318.8 mm
Outside Diameter
H
40 mm
Height
≈m
13.21 kg
Weight

Dimensions
Di
236 mm
Inner diameter outer ring
ha
35 mm
Width outer ring
La
275 mm
Pitchcircle diameter fixing holes outer ring
na
12
Number of fixing holes in outer ring
b
35 mm
Width gearing
m
4 mm
Modul of gearing
z
78
Number of teeth
d0
312 mm
Pitch circle diameter gearing
Fz norm
11,000 N
Max. tooth force root fatigue strenght (at a shock factor of 1,2)
Fz max
16,100 N
Max. tooth force against tooth fracture (at a shock factor of 1,35)
da
234 mm
Outside diameter inner ring
0.2 mm
Outside diameter inner ring upper tolerance
-0.2 mm
Outside diameter inner ring lower tolerance
h
35 mm
height of individual ring
dB
13 mm
Fixing bore
Li
195 mm
Pitchcircle diameter fixing holes inner ring
ni
12
Number of fixing holes in inner ring

Temperature range
Tmin
-30 °C
Operating temperature min.
Tmax
80 °C
Operating temperature max.

Calculation factors
Ca
129,000 N
Basic dynamic load rating, axial
C0a
280,000 N
Basic static load rating, axial
Cr
92,000 N
Basic dynamic load rating, radial (for radial load only)
C0r
138,000 N
Basic static load rating, radial (for radial load only)
VSPmax
0.02 mm
Maximum bearing preload
VSPmin
0 mm
Min. bearing preload
Fr zul
53,000 N
Max. radial load fixing screws (friction locking)

Your current product variant
GearingNNormalized gear teeth on bearing ring
Thêm vào yêu cầu báo giá