PRODUCTS

  • Home
  • Giới thiệu sản phẩm

INA
81138-M
Axial cylindrical roller bearing 81138-M
Thêm vào yêu cầu báo giá
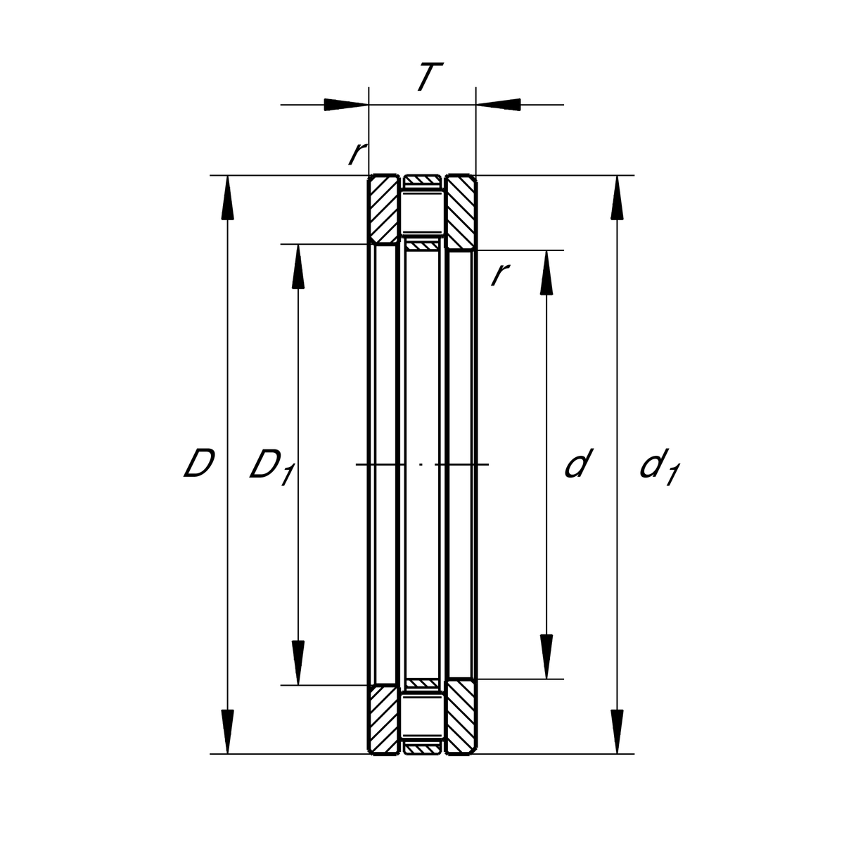
Main Dimensions & Performance Data
d
190 mm
Bore diameter
T
37 mm
Height
Ca
385,000 N
Basic dynamic load rating, axial
C0a
1,500,000 N
Basic static load rating, axial
Cua
134,000 N
Fatigue load limit, axial
nG
1,340 1/min
Limiting speed
nϑr
570 1/min
Reference speed
D
240 mm
Outside diameter
≈m
4.126 kg
Weight

Mounting dimensions
da min
233 mm
Minimum diameter shaft shoulder
Da max
197 mm
Maximum diameter of housing shoulder
ra max
1.1 mm
Maximum recess radius

Dimensions
D1
193 mm
Bore diameter housing washer
d1
237 mm
Rip diameter shaft washer
rmin
1.1 mm
Minimum chamfer dimension

Temperature range
Tmin
-30 °C
Operating temperature min.
Tmax
120 °C
Operating temperature max.

Additional information
K81138-M
Axial roller and cage assembly
GS81138
Housing Washer
WS81138
Shaft washer

Your current product variant
CageMBrass Cage
Thêm vào yêu cầu báo giá