PRODUCTS
- Home
- Giới thiệu sản phẩm
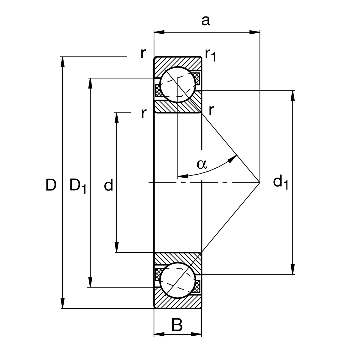
| d | 35 mm | Bore diameter |
| D | 47 mm | Outside diameter |
| B | 7 mm | Width |
| Cr | 6,000 N | Basic dynamic load rating, radial |
| C0r | 5,300 N | Basic static load rating, radial |
| Cur | 360 N | Fatigue load limit, radial |
| nG | 18,100 1/min | Limiting speed |
| nϑr | 8,200 1/min | Reference speed |
| ≈m | 0.028 kg | Weight |
| da min | 37 mm | Minimum diameter of shaft shoulder |
| Da max | 45 mm | Maximum diameter of housing shoulder |
| Db max | 45.6 mm | Maximum diameter of housing shoulder |
| ra max | 0.3 mm | Maximum fillet radius of shaft |
| ra1 max | 0.2 mm | Maximum fillet radius of housing |
| rmin | 0.3 mm | Minimum chamfer dimension |
| r1 min | 0.2 mm | Minimum chamfer dimension |
| D1 | 42.3 mm | Shoulder diameter on outer ring wide side face |
| d1 | 39.707 mm | Shoulder diameter on inner ring wide side face |
| a | 20.7 mm | Distance between the apexes of the pressure cones |
| α | 40 ° | Contact angle |
| Tmin | -30 °C | Operating temperature min. |
| Tmax | 120 °C | Operating temperature max. |
| Design variant | B | B |
| Sealing | Without | Not sealed |
| Cage | TVP | solid cage made of glass-fiber reinforced polyamid PA66 |
| Tolerance class | PN | Normal (PN) |
| Dimensional / heat stabilization | S0 | Rings dimensional stabilized up to 150° |
| Lubricant | Without | Bearing not greased |