PRODUCTS

  • Home
  • Giới thiệu sản phẩm

INA
81132-TV
Axial cylindrical roller bearing 81132-TV
Thêm vào yêu cầu báo giá
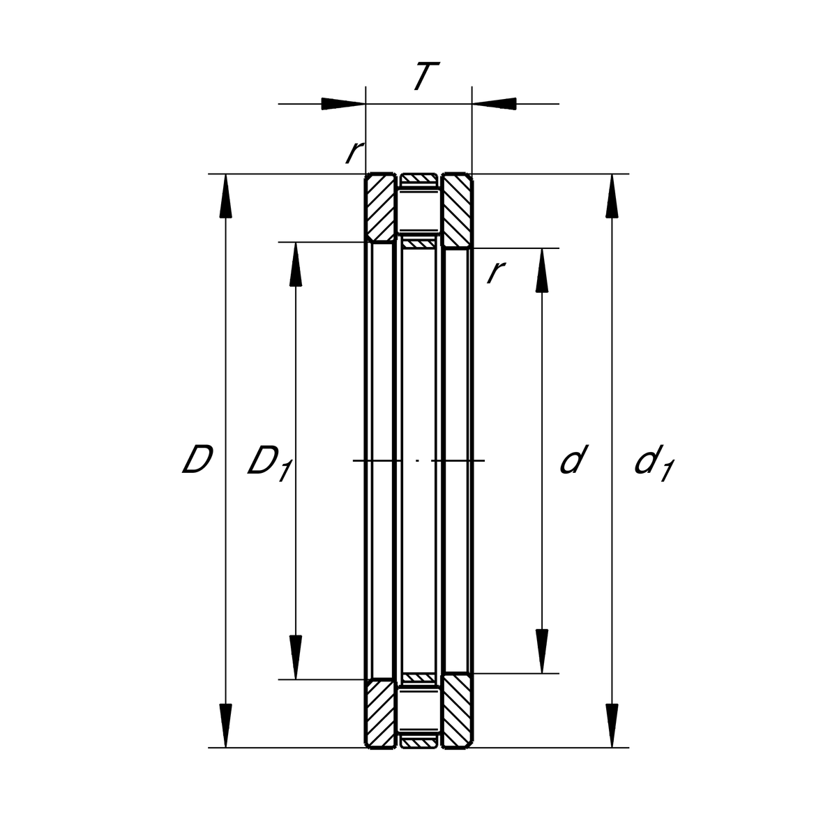
Main Dimensions & Performance Data
d
160 mm
Bore diameter
T
31 mm
Height
Ca
270,000 N
Basic dynamic load rating, axial
C0a
1,050,000 N
Basic static load rating, axial
Cua
89,000 N
Fatigue load limit, axial
nG
1,600 1/min
Limiting speed
nϑr
640 1/min
Reference speed
D
200 mm
Outside diameter
≈m
1,974 g
Weight

Mounting dimensions
da min
195 mm
Minimum diameter shaft shoulder
Da max
165 mm
Maximum diameter of housing shoulder
ra max
1 mm
Maximum recess radius

Dimensions
D1
162 mm
Bore diameter housing washer
d1
198 mm
Rip diameter shaft washer
rmin
1 mm
Minimum chamfer dimension

Temperature range
Tmin
-30 °C
Operating temperature min.
Tmax
120 °C
Operating temperature max.

Additional information
K81132-TV
Axial roller and cage assembly
GS81132
Housing Washer
WS81132
Shaft washer
LS160200
Track Washer

Your current product variant
CageTVPlastic Cage made from PA66
Thêm vào yêu cầu báo giá