PRODUCTS

  • Home
  • Giới thiệu sản phẩm

INA
CSXB060
Four-point contact bearing CSXB060
Thêm vào yêu cầu báo giá
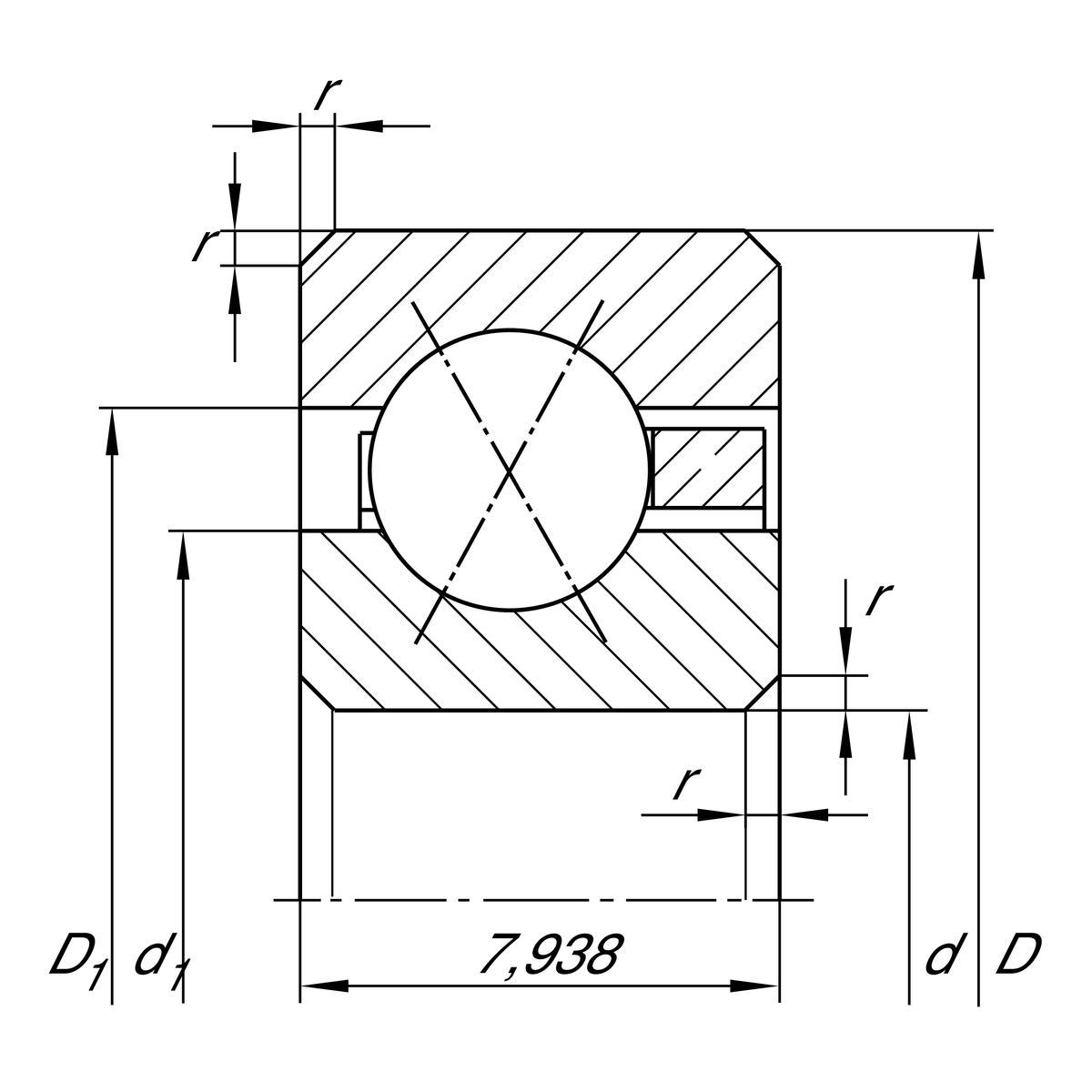
Main Dimensions & Performance Data
d
152.4 mm
Bore diameter
D
168.275 mm
Outside diameter
B
7.938 mm
Width
Cr
9,300 N
Basic dynamic load rating, radial
C0r
17,900 N
Basic static load rating, radial
nG
2,030 1/min
Limiting speed
≈m
200 g
Weight

Dimensions
rmin
1 mm
Minimum chamfer dimension
d1
158.3 mm
Shoulder diameter inner ring
D1
162.4 mm
Shoulder diameter outer ring
α
30 °
Contact angle

Temperature range
Tmin
-30 °C
Operating temperature min.
Tmax
120 °C
Operating temperature max.

Your current product variant
Logistical codeHLE-
SealingWithoutNot sealed
CageYHbrass sheet metal
Tolerance classPL1Class PL1, Normal
LubricantWithoutBearing not greased
Radial internal clearancePL1Class PL1, Normal
Thêm vào yêu cầu báo giá