PRODUCTS

  • Home
  • Giới thiệu sản phẩm

INA
CSCU060-2RS
Deep groove ball bearing CSCU060-2RS
Thêm vào yêu cầu báo giá
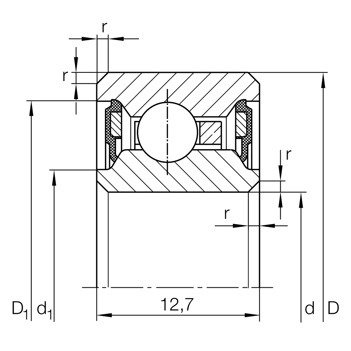
Main Dimensions & Performance Data
d
152.4 mm
Bore diameter
D
171.45 mm
Outside diameter
B
12.7 mm
Width
Cr
9,000 N
Basic dynamic load rating, radial
C0r
12,200 N
Basic static load rating, radial
nG
1,700 1/min
Limiting speed
≈m
370 g
Weight

Dimensions
rmin
0.38 mm
Minimum chamfer dimension
d1
156.2 mm
Caliber diameter inner ring
D1
166.2 mm
Caliber diameter outer ring

Temperature range
Tmin
-25 °C
Operating temperature min.
Tmax
120 °C
Operating temperature max.

Your current product variant
Logistical codeHLE-
Sealing2RSContact seal on both sides
CageYHbrass sheet metal
Tolerance classPL1Class PL1, Normal
Radial internal clearancePL1Class PL1, Normal
LubricantLubricating grease
Thêm vào yêu cầu báo giá