PRODUCTS

  • Home
  • Giới thiệu sản phẩm

INA
SL045036-D-PP-C3
Cylindrical roller bearing SL045036-D-PP-C3
Thêm vào yêu cầu báo giá
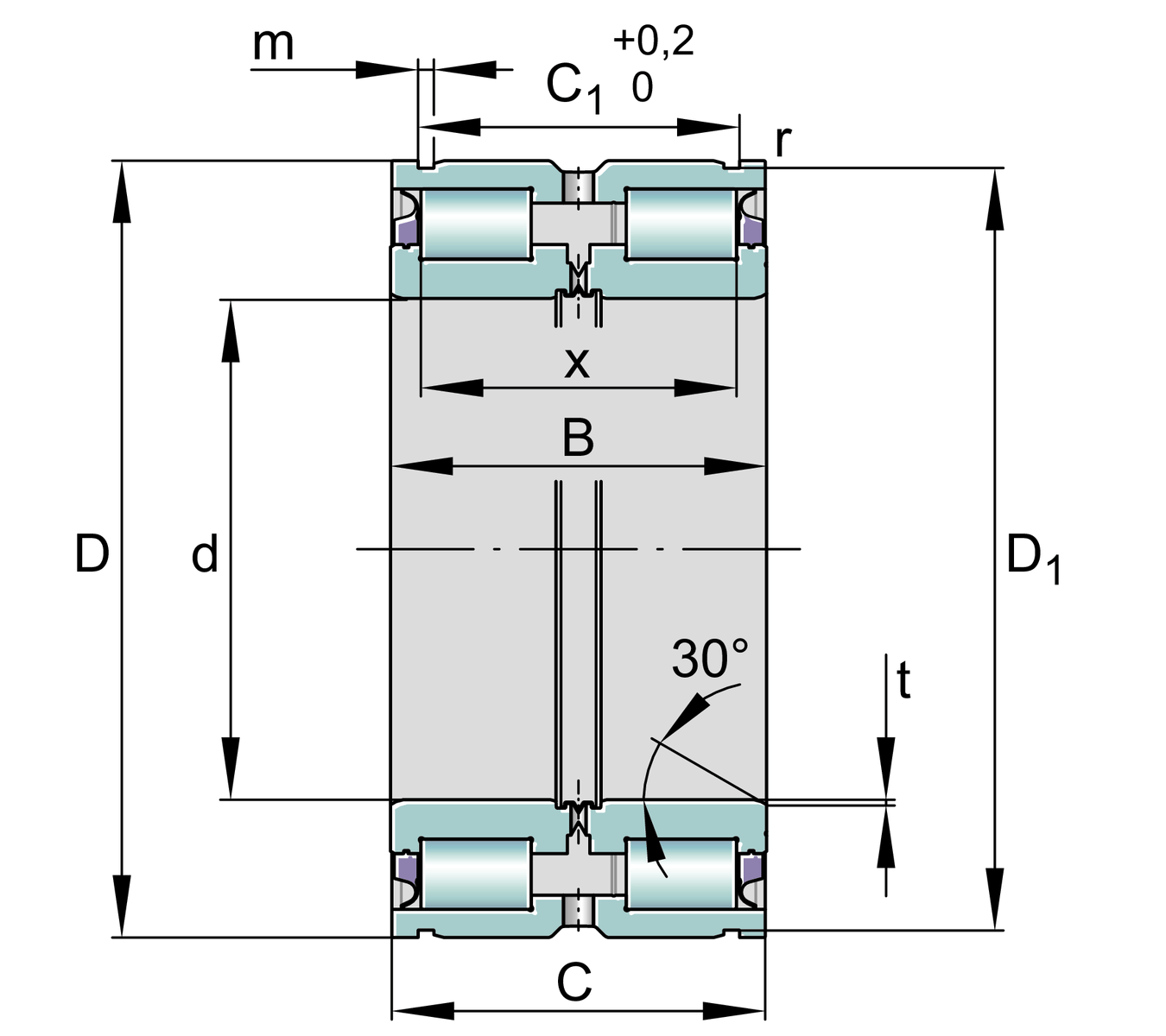
Main Dimensions & Performance Data
d
180 mm
Bore diameter
D
280 mm
Outside diameter
B
136 mm
Width
Cr
1,140,000 N
Basic dynamic load rating, radial
C0r
2,130,000 N
Basic static load rating, radial
Cur
270,000 N
Fatigue load limit, radial
nG Grease
680 1/min
Limiting speed for grease lubrication
≈m
29.22 kg
Weight

Mounting dimensions
Ca1
110 mm
Mounting dim for snap ring WRE (not included in delivery) Tolerance: 0/-0,2
Ca2
108 mm
Mounting dim for retaining ring to DIN 471 (not incl. In delivery) Tol: 0/-0,2
d1
218 mm
Rib diameter inner ring
d2
239 mm
Sealing diameter (rib)
d3
302 mm
Outside diameter of snap ring WRE
d1 min
218 mm
Minimum diameter shaft shoulder
30 °
Chamfer angle
-0.2 mm
Lower distance snap ring tolerance
-0.2 mm
Lower distance retaining ring tolerance
0 mm
Upper distance snap ring tolerance
0 mm
Upper distance retaining ring tolerance
0 mm
Lower distance ring groove tolerance
0.2 mm
Upper distance ring groove tolerance

Dimensions
C
135 mm
Width, outer ring
C1
118.2 mm
Distance ring grooves
D1
274 mm
Diameter of groove
m
5.2 mm
Width of groove
rmin
0.6 mm
Minimum chamfer dimension
t
2 mm
Chamfer width
X
112 mm
Distance between rolling elements

Temperature range
Tmin
-30 °C
Operating temperature min.
Tmax
80 °C
Operating temperature max.

Your current product variant
DesignDNew outer Contour
SealingPPContact Seal on both sides
Radial internal clearanceC3 (Group 3)Internal clearance larger than CN
Tolerance classPNNormal (PN)
Number of rolling element rows2Double-row design
Thêm vào yêu cầu báo giá