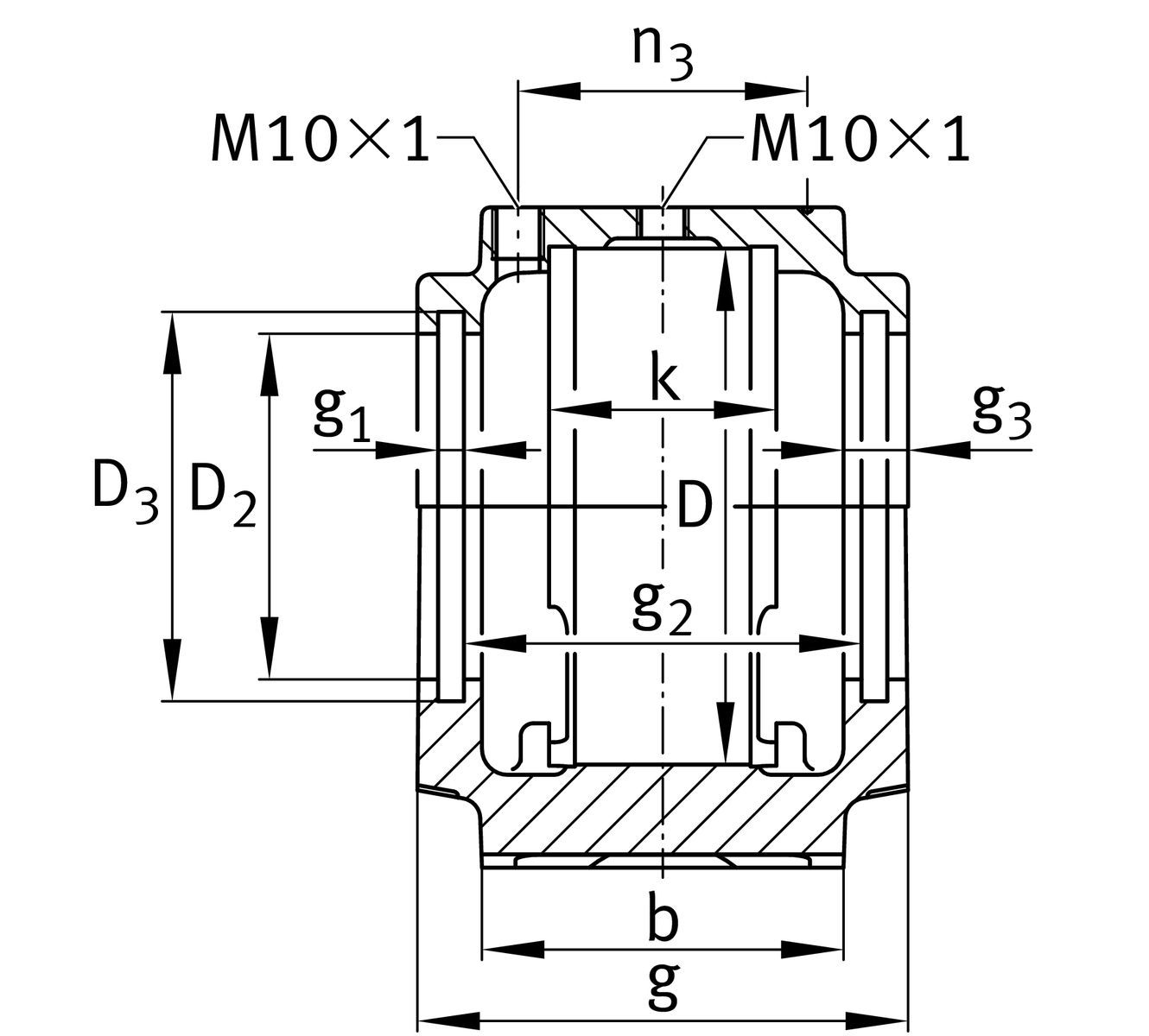
Sealing ring EDV505X012 Đã thêm mặt hàng bạn chọn vào danh sách yêu cầu báo giá, cảm ơn bạn rất nhiều!