PRODUCTS
- Home
- Giới thiệu sản phẩm
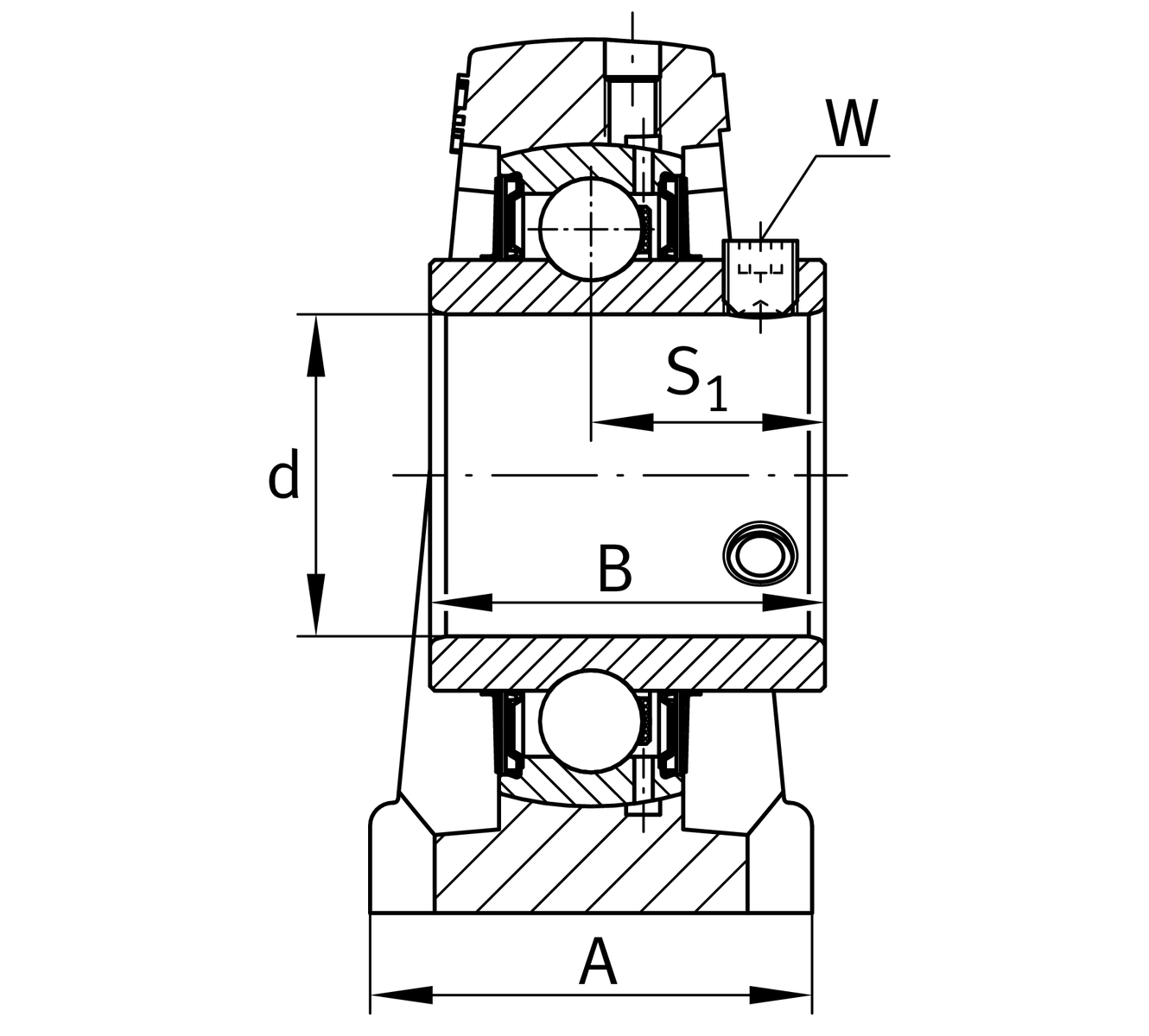
| d | 31.75 mm | Bore diameter |
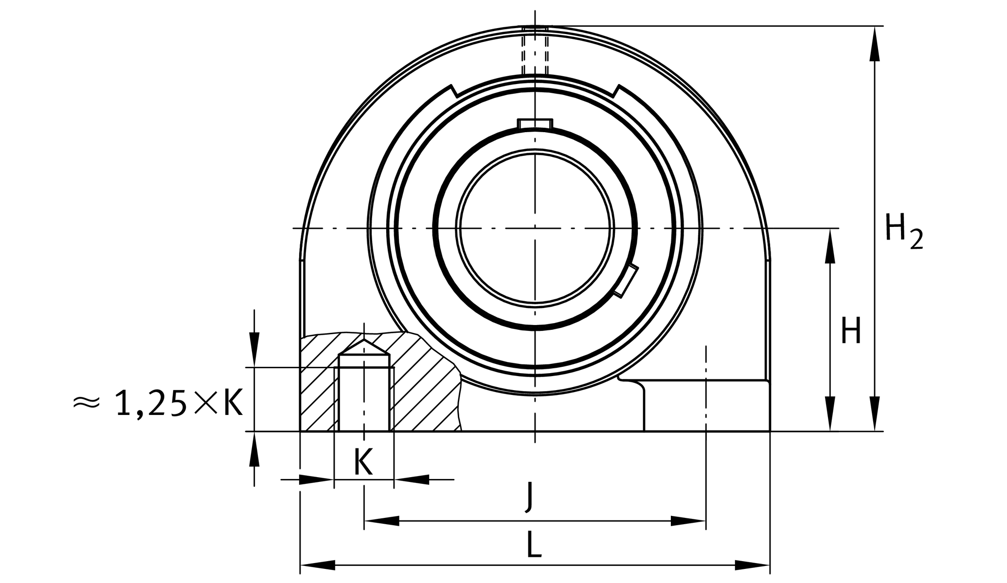
| L | 110 mm | Length total |
| H2 | 95 mm | Height |
| ≈m | 1.743 kg | Weight |
| J | 80 mm | Distance fixing bore |
| K | M14 | Thread fixing bore |
| H | 47.6 mm | Distance shaft axis |
| A | 48 mm | Width (base) |
| Q | M6 | Connection thread for lubrication |
| B | 42.9 mm | Width of inner ring |
| S1 | 25.4 mm | Distance of raceway to locking collar |
PA207 | Housing | |
UC207-20 | Bearing designation |
| Tmin | -20 °C | Operating temperature min. |
| Tmax | 120 °C | Operating temperature max. |
| Material | GG | Grey cast iron |
| Housing clearance | J7 | Normal swivel torque |
| Dummy | GG | cast iron |