PRODUCTS

  • Home
  • Giới thiệu sản phẩm

FAG
16030-C3
Deep groove ball bearing 16030-C3
Thêm vào yêu cầu báo giá
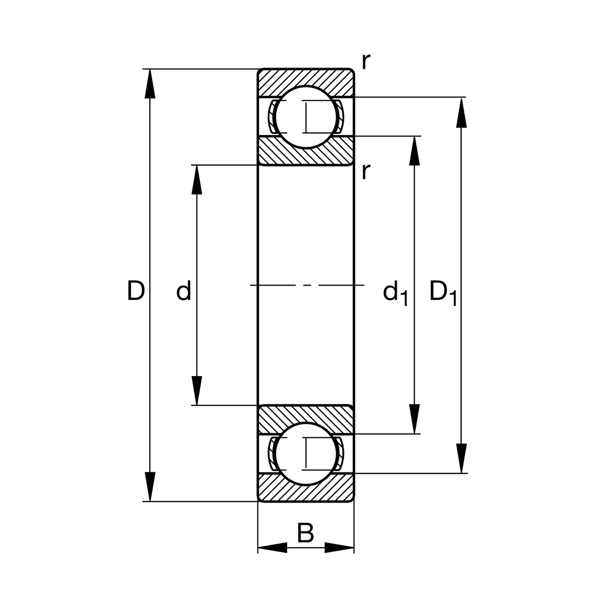
Main Dimensions & Performance Data
d
150 mm
Bore diameter
D
225 mm
Outside diameter
B
24 mm
Width
Cr
98,000 N
Basic dynamic load rating, radial
C0r
99,000 N
Basic static load rating, radial
Cur
4,400 N
Fatigue load limit, radial
nG
4,050 1/min
Limiting speed
nϑr
3,100 1/min
Reference speed
≈m
3.17 kg
Weight

Mounting dimensions
da min
156 mm
Minimum diameter shaft shoulder
Da max
219 mm
Maximum diameter of housing shoulder
ra max
1 mm
Maximum fillet radius

Dimensions
rmin
1.1 mm
Minimum chamfer dimension
D1
199.04 mm
Shoulder diameter outer ring
d1
175.96 mm
Shoulder diameter inner ring

Temperature range
Tmin
-30 °C
Operating temperature min.
Tmax
150 °C
Operating temperature max.

Calculation factors
f0
16.5
Calculation factor

Your current product variant
SealingWithoutNot sealed
CageJNsteel sheet metal
Tolerance classPNNormal (PN)
Dimensional / heat stabilization S0Rings dimensional stabilized up to 150°
LubricantWithoutBearing not greased
Bore typeZCylindrical
Radial internal clearanceC3 (Group 3)Internal clearance larger than CN
Thêm vào yêu cầu báo giá