PRODUCTS
- Home
- Giới thiệu sản phẩm
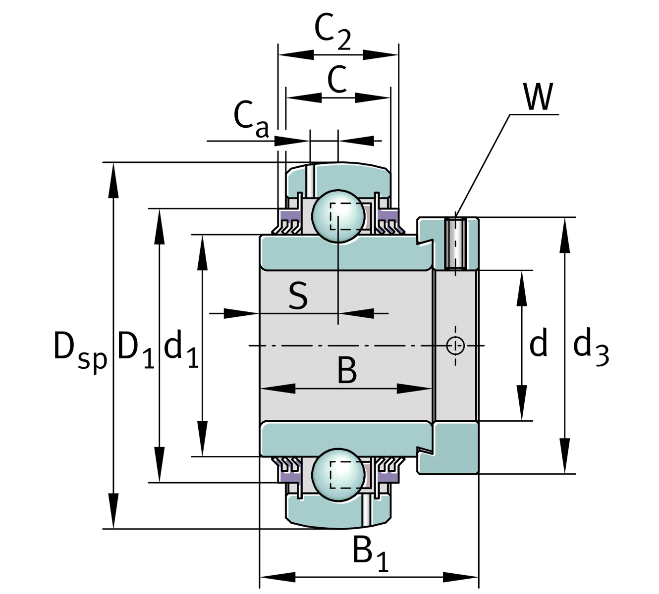
| d | 31.75 mm | Bore diameter |
| d | 31.75 mm | Bore diameter, inch |
| DSP | 72 mm | Outside diameter |
| B | 37.7 mm | Width |
| B1 | 51.3 mm | Locking collar total width |
| Cr | 25,500 N | Basic dynamic load rating, radial |
| C0r | 15,300 N | Basic static load rating, radial |
| ≈m | 0.642 kg | Weight |
| C | 19 mm | Width, outer ring |
| C2 | 22.5 mm | Sealing total width |
| S | 18.8 mm | Distance raceway |
| d1 | 46.83 mm | Rib diameter inner ring |
| D1 | 60.3 mm | Outside diameter seal |
| Ca | 5.7 mm | Distance to lubrication hole |
| d3 | 51 mm | Outside diameter locking collar/locknut |
| W | 4.75 mm | Width of flats (inch) |
| Tmin | -20 °C | Operating temperature min. |
| Tmax | 100 °C | Operating temperature max. |
| Sealing | KTT | Triple lip seals on both sides |
| Shape of outer surface | B | |
| Lubrication hole transposed | AS2/V | AS2/V |